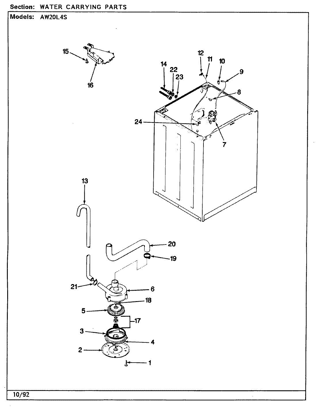
AW20L4AS 10 – WATER CARRYING (REV. A-E)admin2025-04-26T09:12:59+00:00AW20L4AS 10 – WATER CARRYING (REV. A-E) ProductsPositionProduct1MAY 25-74052MAY 33-60353MAY 33-60324MAY 35-20585WP35-6465 Whirlpool Drain Pump6MAY 35-23446MAY 35-20996MAY 35-20567MAY 35-23747WP25-7220 Whirlpool Cabinet Clip912002749 Whirlpool Flume Hose Kit11MAY 35-226111MAY 35-232212MAY 33-609913MAY 35-289614MAY 35-087314FILL HOSE 5' W/WASHER15WP90767 Whirlpool Screw16MAY 35-205117MAY 35-070718MAY 25-789419WP285655 Whirlpool Hose Clamp19MAY 25-606920WP21001915 Whirlpool Hose Tub20MAY 35-298222MAY 25-704823MAY 33-731324WP596669 Whirlpool Hose Clamp