AWM631 03 – BACK FLOW PREVENTER (CHANGE)

AWM631 03 – BACK FLOW PREVENTER (CHANGE)

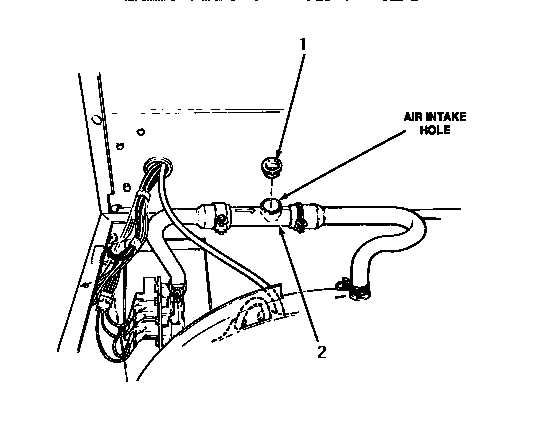
Products

PositionProduct
1MAY 34340
2MAY 27118