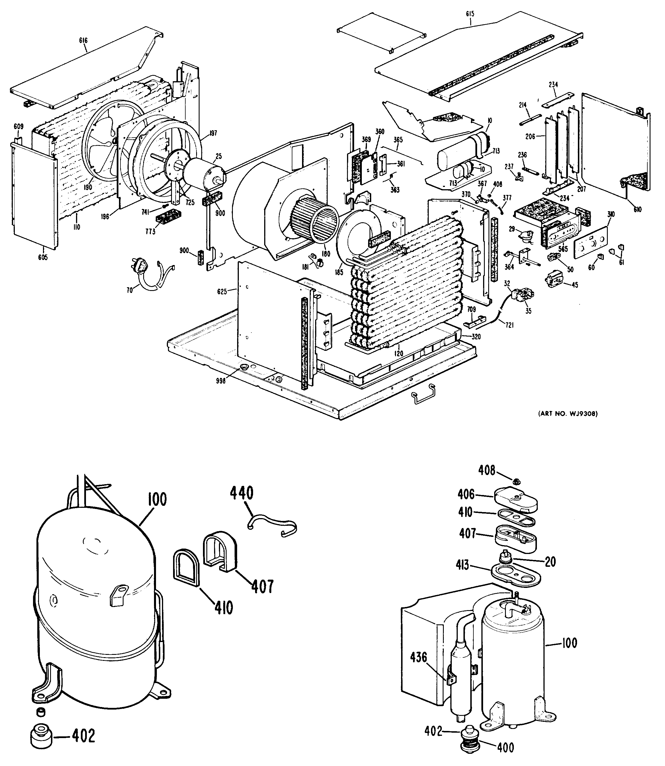
AXN18W1G1 1admin2025-04-26T08:38:55+00:00AXN18W1G1 1 ProductsPositionProduct10GEN WJ20X032810GEN WJ20X031920GEN WJ23X018025GEN WJ94X033829GEN WJ95X001732GEN WJ70X024135GEN WJ28X050045MAIN SWITCH 5 POS ROTARY50GEN WJ26X016760GEN WJ12X012861GEN WJ12X012970GEN WJ35X0106100GEN WJ98X0469120GEN WJ87X0215180INDOOR BLOWER181BLOWER CLAMP ASSEMBLY190GEN WJ73X0120196GEN WJ76X0238197GEN WJ70X0284206GEN WJ71X0982207GEN WJ71X0981214GEN WJ71X0983234GEN WJ71X0980236GEN WJ71X0984237GEN WJ71X0994310GEN WJ07X0767320GEN WJ70X0282360GEN WJ70X0283361DAMPER DOOR HINGE CLAMP364GEN WJ14X0114365DAMPER DOOR CABLE367GEN WJ66X0386369GEN WJ43X0373370SPACER DAMPER MECHANISM377GEN WJ14X0115400GEN WJ02X0259400GEN WJ02X0258400GEN WJ02X0257402GEN WJ01X0518402GEN WJ01X0347406GEN WJ79X0302407GEN WJ79X0301408GEN WJ01X0292410GEN WJ43X0333413GEN WJ43X0345436ACCUMULATOR CLAMP565GEN WJ79X0363605GEN WJ82X0095609GEN WJ65X0329610GEN WJ81X0067615GEN WJ79X0365616GEN WJ79X0364625GEN WJ82X0094709SINK HEAT713CAPACITOR CLAMP713GEN WP03X0002721SLEEVE CAPILLARY THERM725GEN WJ65X0328741GEN WZ05X0249773GEN WJ43X0374900GEN WJ43X0375900GEN WJ43X0376998GEN WJ01X0402