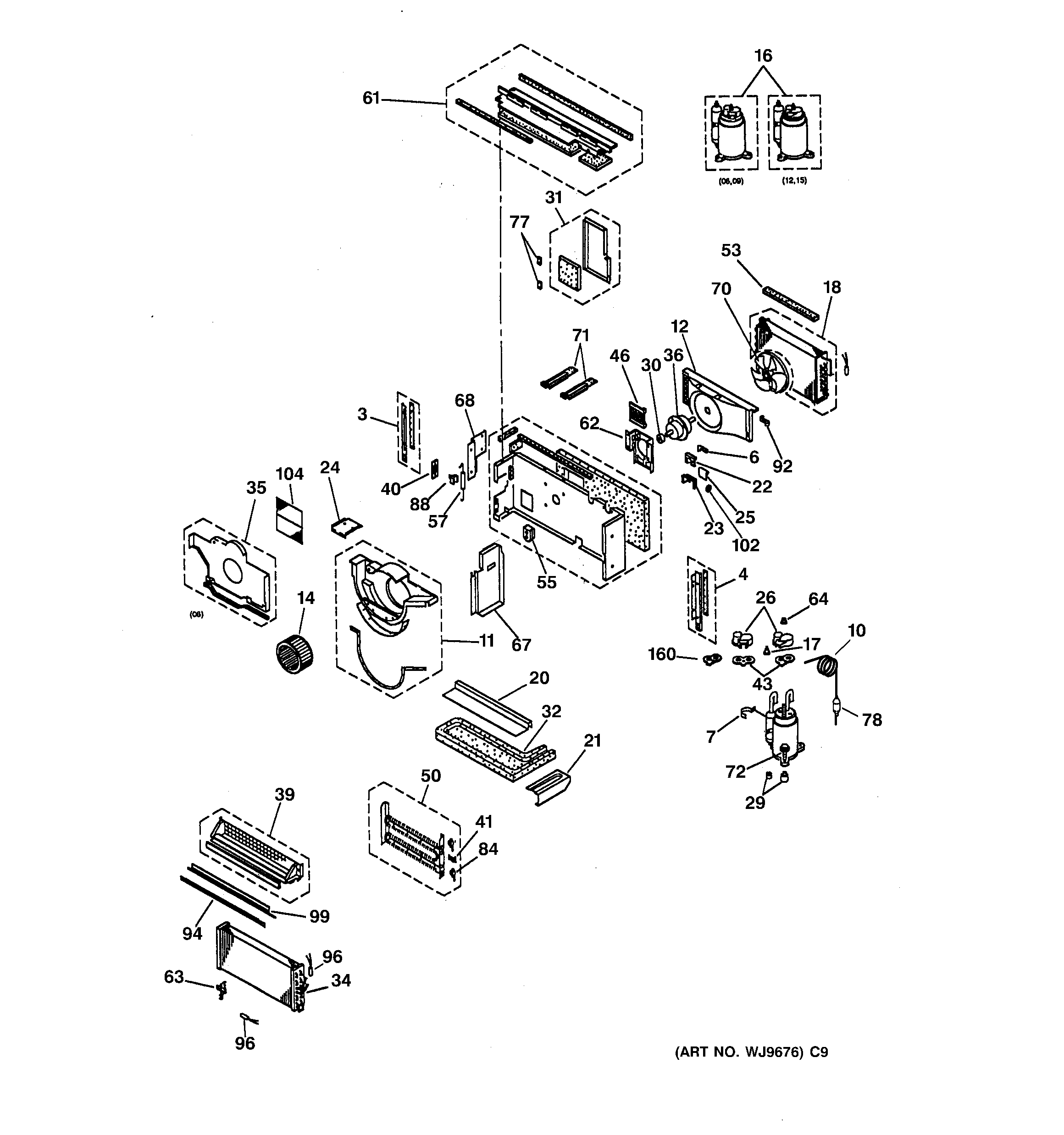
AZ21E06D3CV6 MOTOR, COMPRESSOR & SYSTEM COMPONENTSadmin2025-04-26T08:38:52+00:00AZ21E06D3CV6 MOTOR, COMPRESSOR & SYSTEM COMPONENTS ProductsPositionProduct3GEN WP82X00184GEN WP82X00196GEN WP04X00057GEN WP02X004610CAPILLARY.045 ID X 18.5"11GEN WP71X004212GEN WP76X002014GEN WP74X000416GEN WJ98X105917GEN WP23X006618GEN WP88X003820GEN WP79X006321GEN WP79X006422GEN WP01X002523GEN WP01X002624GEN WP79X006125GEN WP01X002726GEN WJ79X052829GEN WJ01X076230CUSHION RUBBER31GEN WP71X004732GEN WP70X010734GEN WP87X003735GEN WJ79X060336GEN WP94X012139GEN WP70X013640GEN WJ66X048541GEN WP23X1000143GEN WJ43X045446GEN WP85X001650GEN WP70X1000153GEN WP43X003455GEN WP43X003357GEN WP14X000761GEN WP79X006762GEN WP65X001263GEN WP03X001864GEN WP01X002867GEN WP65X001068SCREEN DRAIN PUMP70GEN WP73X000671GEN WP66X004472GEN WP01X003277GEN WP02X003778GEN WP56X000784GEN WP28X005588GEN WJ14X016392GEN WP65X001894GEN WP01X003596GEN WP27X004699GEN WP01X0044102GEN WJ01X0950104GEN WJ68X0207