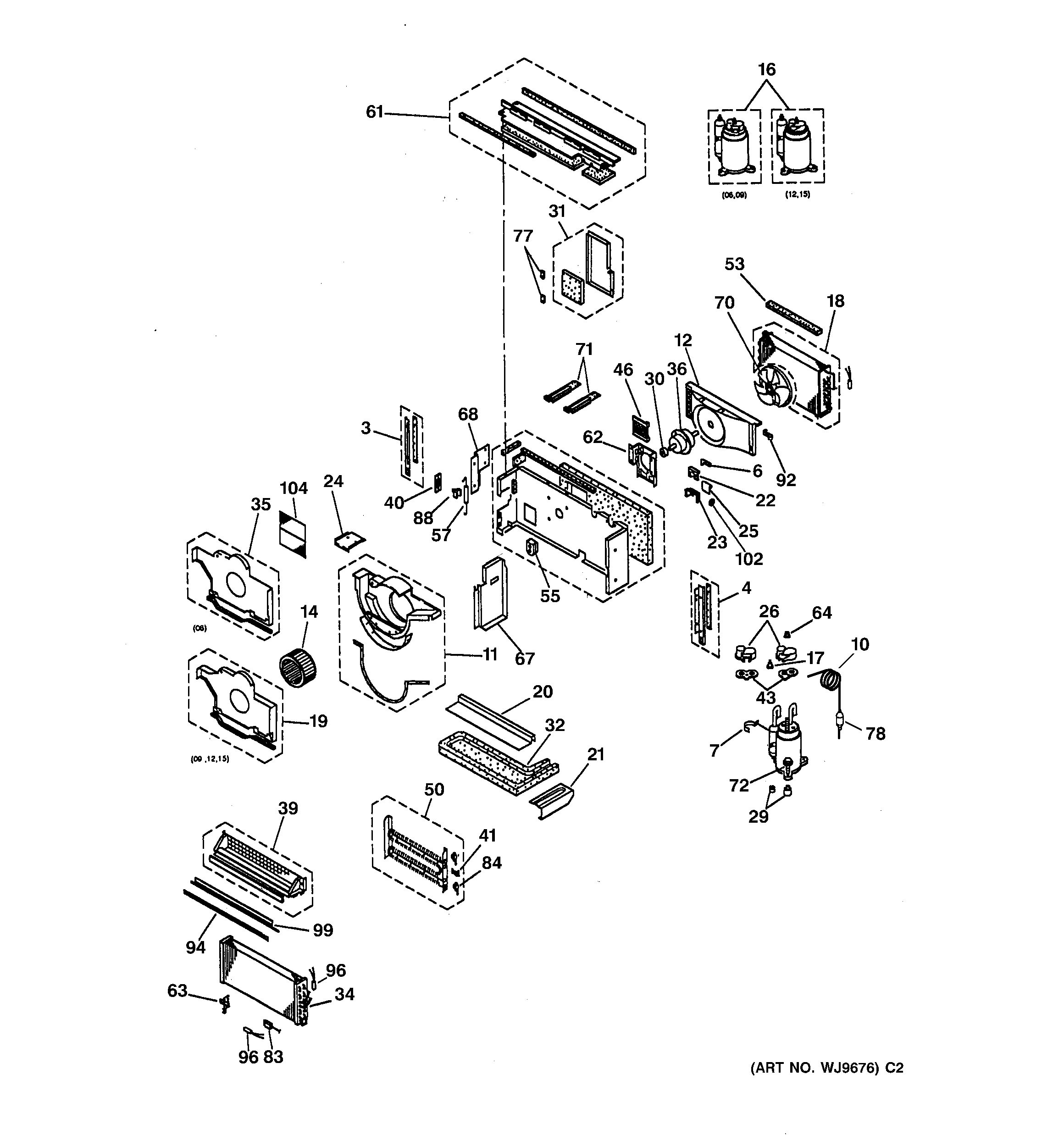
AZ21E09E5CV4 MOTOR, COMPRESSOR & SYSTEM COMPONENTSadmin2025-04-26T13:14:34+00:00AZ21E09E5CV4 MOTOR, COMPRESSOR & SYSTEM COMPONENTS ProductsPositionProduct3GEN WP82X00184GEN WP82X00196GEN WP04X00057GEN WP02X004610CAPILLARY .054 CUT TO 1611GEN WP71X004212GEN WP76X002014GEN WP74X000416GEN WJ98X106217GEN WP23X006218GEN WP88X003919GEN WJ79X060220GEN WP79X006321GEN WP79X006422GEN WP01X002523GEN WP01X002624GEN WP79X006125GEN WP01X002726GEN WJ79X052829GEN WJ01X076230CUSHION RUBBER31GEN WP71X004732GEN WP70X010734GEN WP87X004336GEN WP94X012239GEN WP70X013540GEN WJ66X048541GEN WP23X009843GEN WJ43X045446GEN WP85X001650GEN WP70X014053GEN WP43X003455GEN WP43X003357GEN WP14X000761GEN WP79X006762GEN WP65X001263GEN WP03X001864GEN WP01X002867GEN WP65X001068SCREEN DRAIN PUMP70GEN WP73X000671GEN WP66X004472GEN WP01X003277GEN WP02X003778GEN WP56X000784GEN WP28X005588GEN WJ14X016392GEN WP65X001894GEN WP01X003596GEN WP27X004699GEN WP01X0044102GEN WJ01X0950