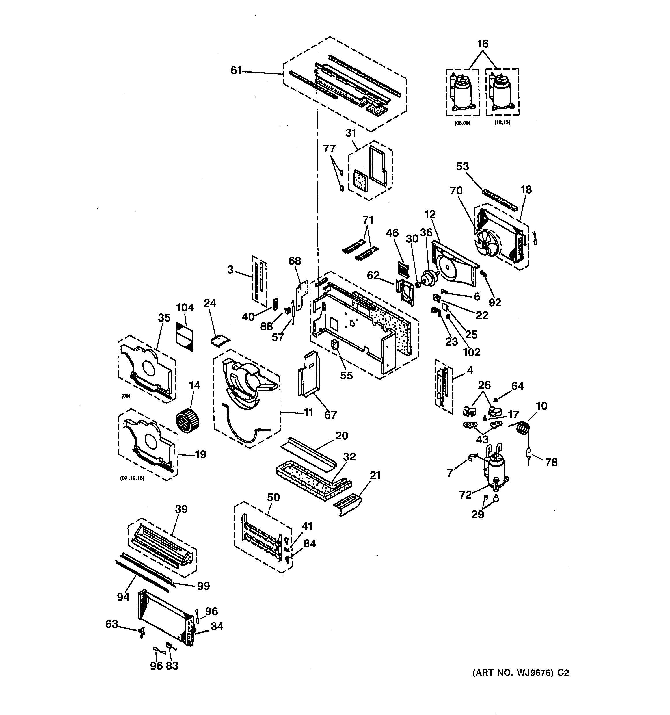
AZ21E12E5CV3 MOTOR, COMPRESSOR & SYSTEM COMPONENTS