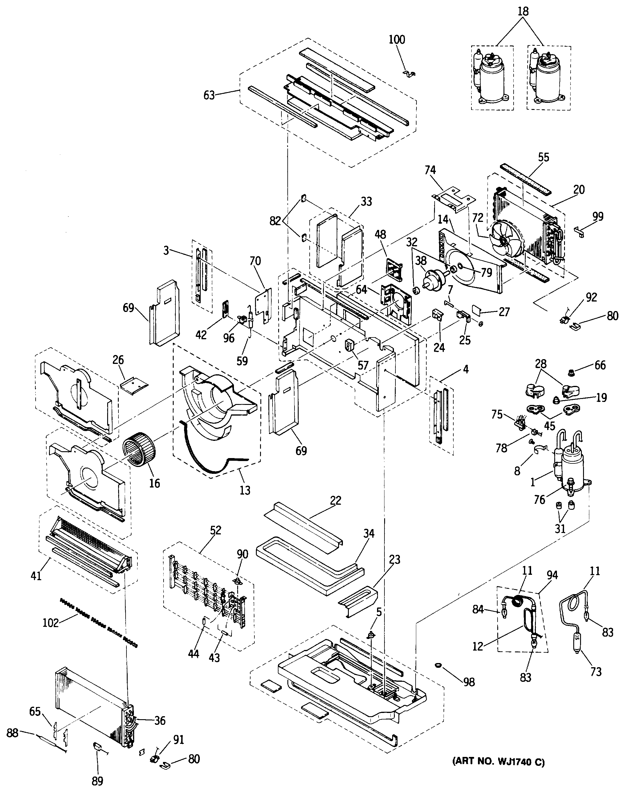
AZ31H06DACV1 1admin2025-04-26T08:39:04+00:00AZ31H06DACV1 1 ProductsPositionProduct3GEN WP82X00184GEN WP82X00195GEN WJ58X00547GEN WP04X00058GEN WJ02X048111GEN WJ53X022313GEN WP71X004214GEN WP76X002016GEN WP74X000618GEN WJ98X105919GEN WP23X006620GEN WP88X002622GEN WP79X006323GEN WP79X006424GEN WP01X002525GEN WP01X002626GEN WP79X006127GEN WP01X002728GEN WJ79X052832CUSHION RUBBER33GEN WP71X004734GEN WP70X010736EVAPORATOR ASM. REPL38GEN WP94X010341GEN WP70X011342GEN WJ66X048543GEN WP23X006744GEN WP23X006845GEN WJ43X045448GEN WP85X001652GEN WP70X011155GEN WP43X003457GEN WP43X003359GEN WP14X000763GEN WP79X006764GEN WP65X001265GEN WP02X004066GEN WJ01X088469GEN WP65X001070GEN WP65X001172GEN WP73X000673GEN WP56X001174GEN WP66X004175GEN WJ58X005376GEN WP01X003278GEN WP59X000979GEN WJ01X088780GEN WJ02X049882GEN WP02X003783GEN WP56X000788GEN WP28X004689GEN WP28X004990GEN WP28X005191GEN WP28X005092GEN WP28X005296GEN WJ14X016398GEN WJ01X079899GEN WP02X0039100GEN WP02X0043102GEN WP01X0035