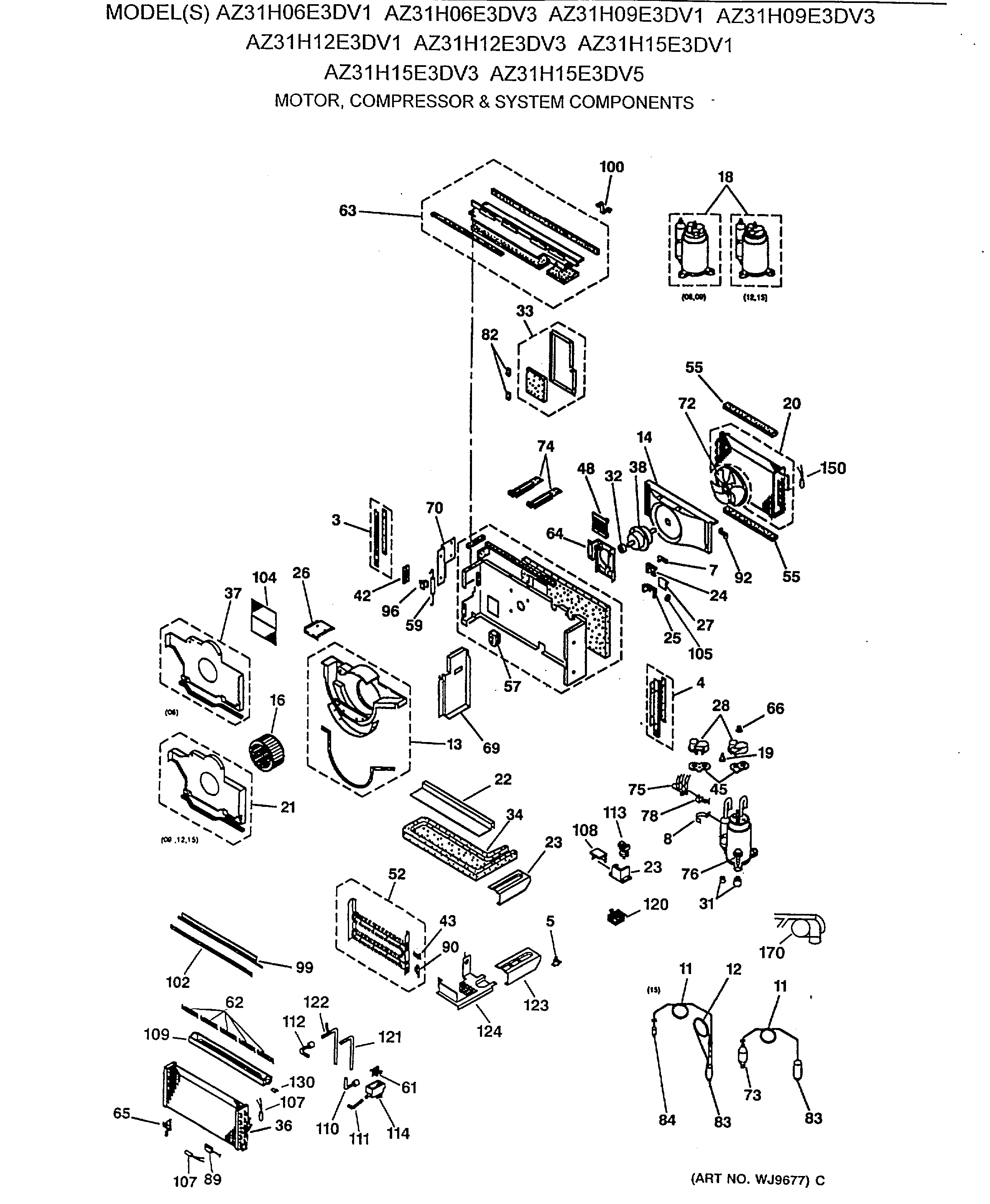
AZ31H06E3DV3 MOTOR, COMPRESSOR & SYSTEM COMPONENTS