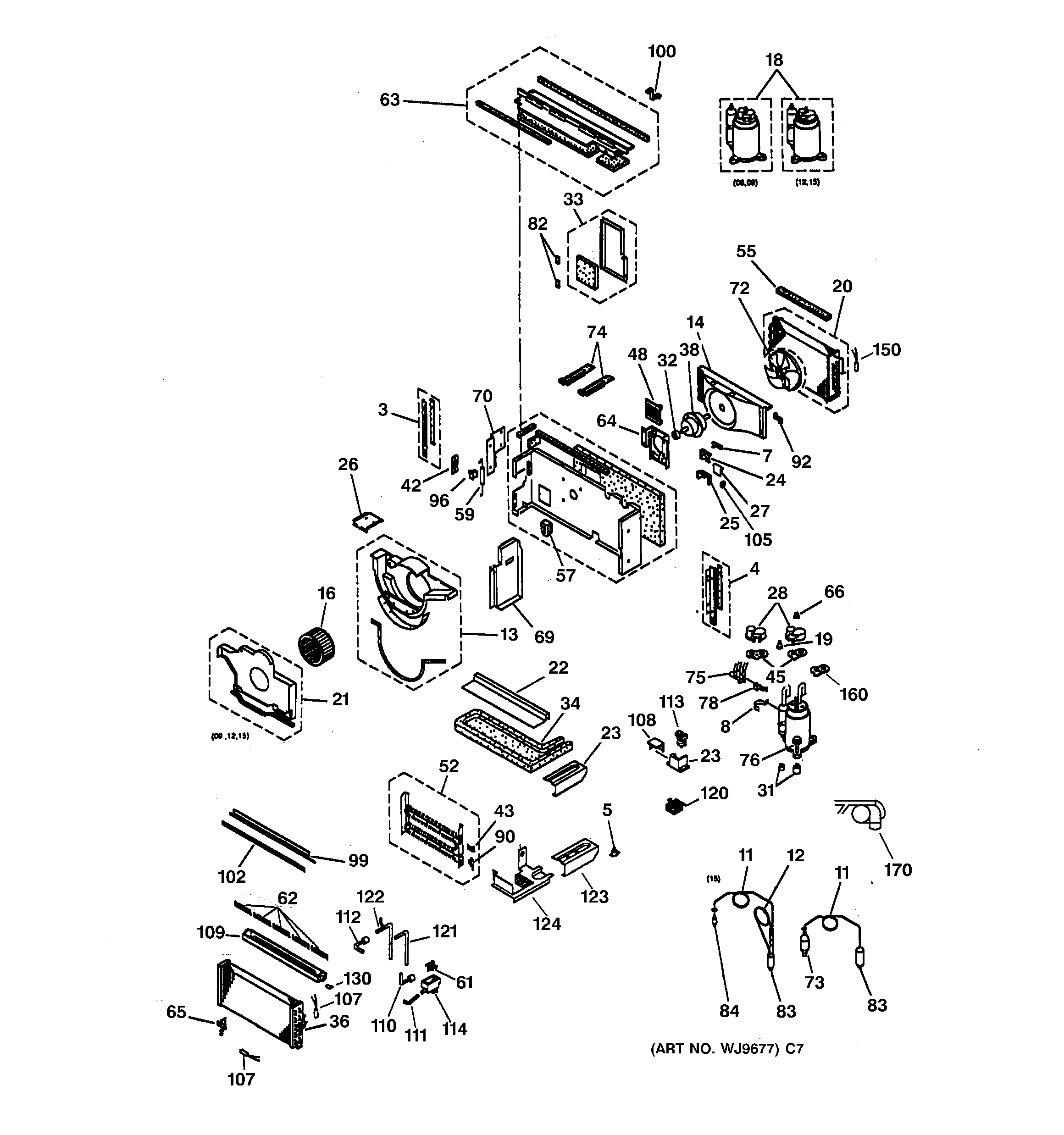
AZ31H09E4DV6 MOTOR, COMPRESSOR & SYSTEM COMPONENTSadmin2025-04-26T08:39:03+00:00AZ31H09E4DV6 MOTOR, COMPRESSOR & SYSTEM COMPONENTS ProductsPositionProduct3GEN WP82X00184GEN WP82X00195GEN WJ58X00547GEN WP04X00058GEN WP02X004611CAPILLARY.045 ID X 18.5"13GEN WP71X004214GEN WP76X002016GEN WP74X000418GEN WJ98X106219GEN WP23X006220GEN WP88X004221GEN WJ79X060222GEN WP79X006323GEN WP79X007324GEN WP01X002525GEN WP01X002626GEN WP79X006127GEN WP01X002728GEN WJ79X052831GEN WJ01X076232CUSHION RUBBER33GEN WP71X004734GEN WP70X010736GEN WP87X004338GEN WP94X012642GEN WJ66X048543GEN WP23X1000245GEN WJ43X045448GEN WP85X001652GEN WP70X1000255GEN WP43X003457GEN WP43X003359GEN WP14X000761GEN WP01X004662GEN WP01X004763GEN WP79X006764GEN WP65X001265GEN WP03X001866GEN WJ01X088469GEN WP65X001070GEN WP65X001172GEN WP73X000673GEN WP56X001174GEN WP66X004475GEN WJ58X005376GEN WP01X003278GEN WP59X001082GEN WP02X003783GEN WP56X000790GEN WP28X005592GEN WP65X001996GEN WJ14X016399GEN WP01X0044100GEN WP65X0021102GEN WP01X0035105GEN WJ01X0950107GEN WP27X0046108GEN WP01X0039109GEN WP70X0121110GEN WP40X0001111GEN WP40X0004112GEN WP40X0005113GEN WP95X0006114GEN WP62X0005120SCREEN DRAIN PUMP121GEN WP40X0006122GEN WP40X0007123GEN WP01X0041124GEN WP01X0040130GEN WP79X0076150GEN WP27X0053