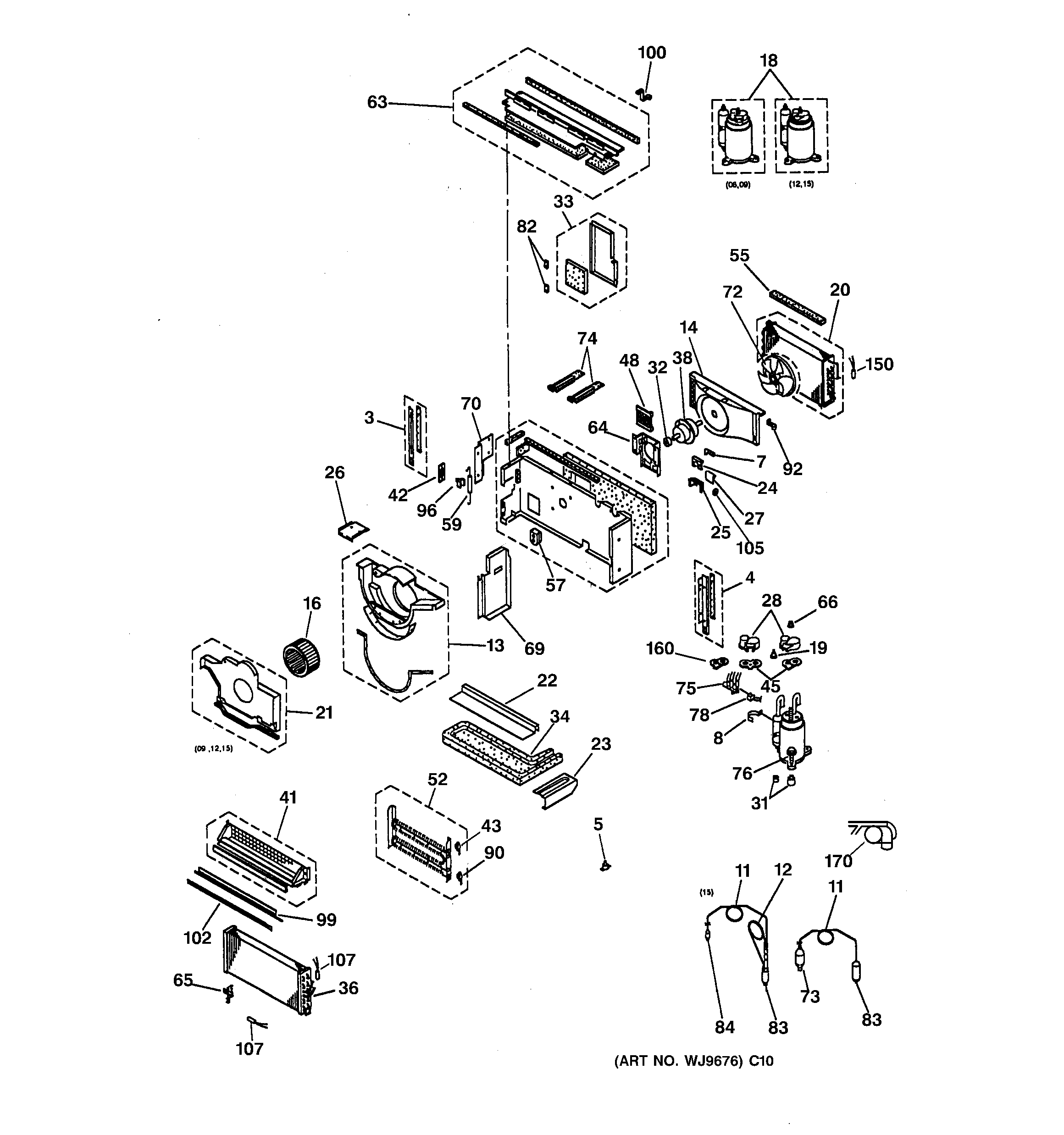
AZ31H12E4CV6 MOTOR, COMPRESSOR & SYSTEM COMPONENTSadmin2025-04-26T08:39:04+00:00AZ31H12E4CV6 MOTOR, COMPRESSOR & SYSTEM COMPONENTS ProductsPositionProduct3GEN WP82X00184GEN WP82X00195GEN WJ58X00547GEN WP04X00058GEN WJ02X050411GEN WJ53X018813GEN WP71X004214GEN WP76X002016GEN WP74X000418GEN WJ98X105619GEN WP23X007720GEN WP88X004321GEN WJ79X060222GEN WP79X006323GEN WP79X006424GEN WP01X002525GEN WP01X002626GEN WP79X006127GEN WP01X002728TERM COVER31GEN WJ01X088332CUSHION RUBBER33GEN WP71X004734GEN WP70X010736GEN WP87X004438GEN WP94X012541GEN WP70X013542GEN WJ66X048543GEN WP23X1000245GEN WJ43X045348GEN WP85X001652GEN WP70X1000255GEN WP43X003457GEN WP43X003359GEN WP14X000763GEN WP79X006764GEN WP65X001265GEN WP03X001666GEN WJ01X088469GEN WP65X001070GEN WP65X001172GEN WP73X000673GEN WP56X001174GEN WP66X004475GEN WP58X001176GEN WP01X003478GEN WP59X001082GEN WP02X003783GEN WP56X000890GEN WP28X005592GEN WP65X002096GEN WJ14X016399GEN WP01X0045100GEN WP65X0022102GEN WP01X0035105GEN WJ01X0950107GEN WP27X0046150GEN WP27X0053