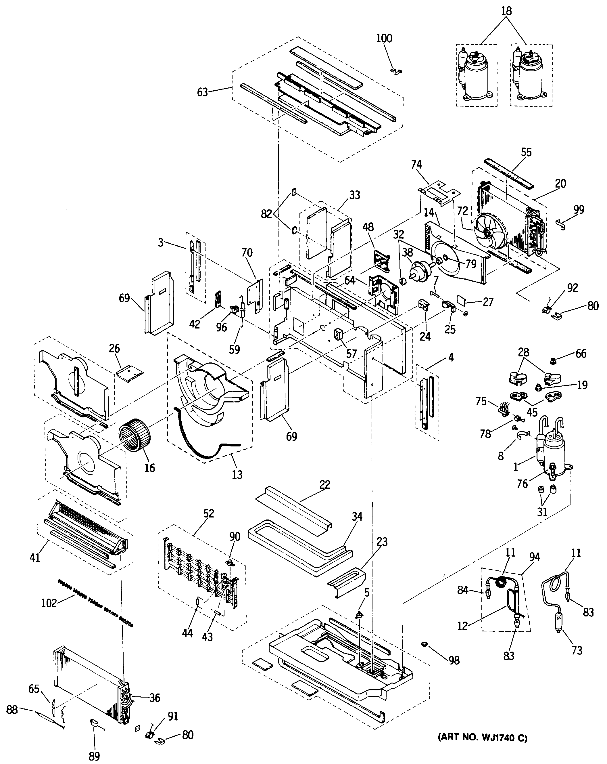
AZ31H12EACV1 1admin2025-04-26T13:13:27+00:00AZ31H12EACV1 1 ProductsPositionProduct3GEN WP82X00184GEN WP82X00195GEN WJ58X00547GEN WP04X00058GEN WJ02X050411GEN WJ53X022513GEN WP71X004214GEN WP76X002016GEN WP74X000418GEN WJ98X105619GEN WP23X006020GEN WP88X002822GEN WP79X006323GEN WP79X006424GEN WP01X002525GEN WP01X002626GEN WP79X006127GEN WP01X002731GEN WJ01X088332CUSHION RUBBER33GEN WP71X004734GEN WP70X010736GEN WP87X003538GEN WP94X010241GEN WP70X010942GEN WJ66X048543GEN WP23X006744GEN WP23X006845GEN WJ43X045348GEN WP85X001652GEN WP70X010655GEN WP43X003457GEN WP43X003359GEN WP14X000763GEN WP79X006764GEN WP65X001265GEN WP02X004166GEN WJ01X088469GEN WP65X001070GEN WP65X001172GEN WP73X000673GEN WP56X001174GEN WP66X004175GEN WP58X001176GEN WP01X003478GEN WP59X001079GEN WJ01X088780GEN WJ02X049882GEN WP02X003783GEN WP56X000888GEN WP28X004689GEN WP28X004990GEN WP28X005191GEN WP28X005092GEN WP28X005296GEN WJ14X016398GEN WJ01X079899GEN WP02X0042100GEN WP02X0044102GEN WP01X0035