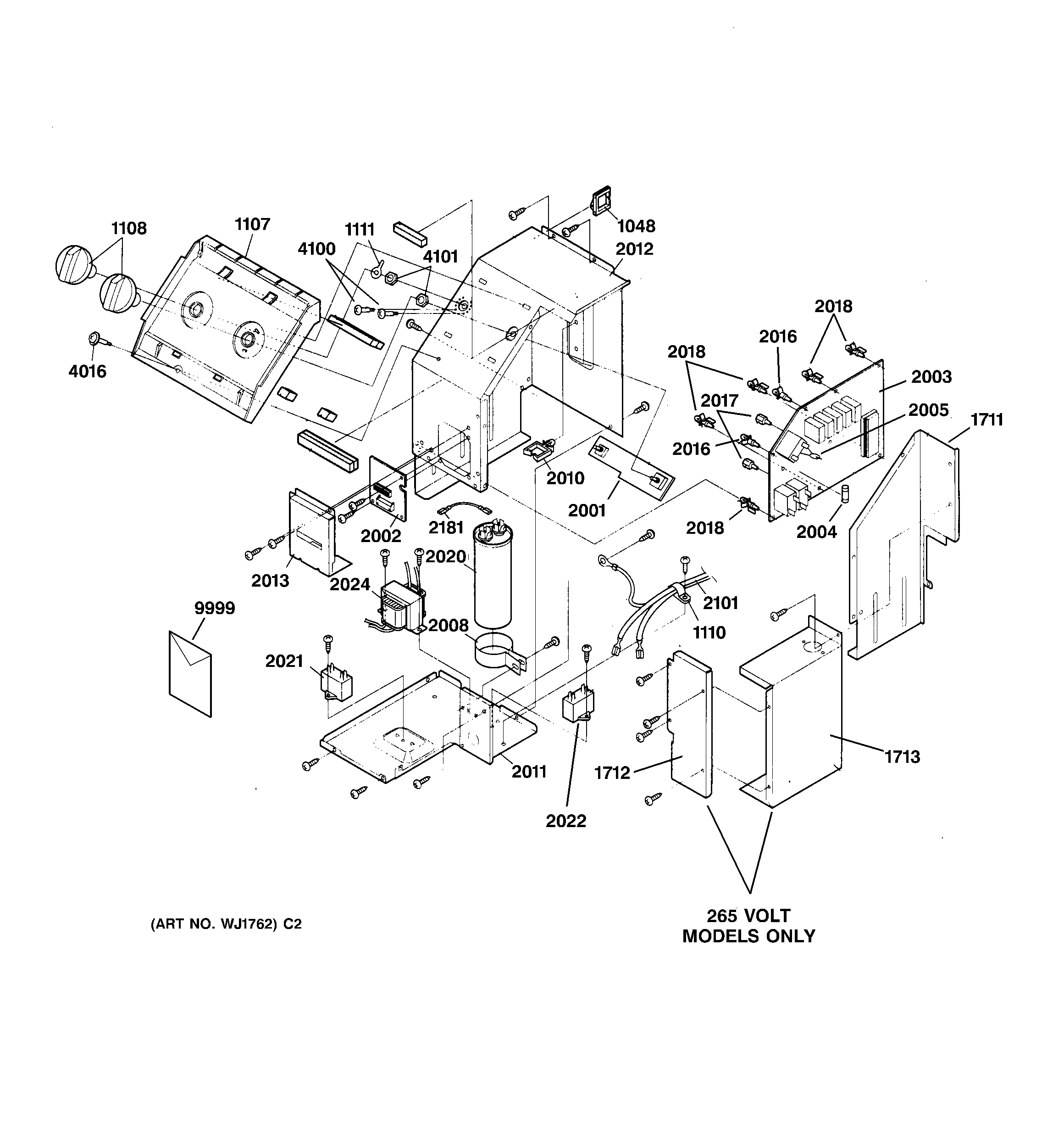
AZ32H15D3BM2 CONTROL ASSEMBLY
Products
| Position | Product |
|---|---|
| 1048 | GEN WJ03X10007 |
| 1107 | GEN WP07X10003 |
| 1108 | WJ12X10009 GE Air Conditioner Control Knob |
| 1110 | GEN WJ03X10006 |
| 1111 | GEN WJ28X10010 |
| 1711 | GEN WP76X10005 |
| 2001 | GEN WP26X10006 |
| 2002 | GEN WP26X10007 |
| 2003 | GEN WP26X10005 |
| 2004 | GEN WP23X10003 |
| 2005 | GEN WP27X10002 |
| 2008 | GEN WP03X10001 |
| 2010 | WP01X10009 GE Cord Holder |
| 2011 | GEN WP76X10014 |
| 2012 | CONTROL BOX ASS'Y |
| 2013 | GEN WP76X10016 |
| 2016 | GEN WJ01X10043 |
| 2017 | GEN WJ01X10044 |
| 2018 | WP01X10010 GE Spacer |
| 2020 | GEN WP20X10009 |
| 2021 | GEN WP20X10010 |
| 2022 | GEN WJ20X10017 |
| 2024 | GEN WP27X10006 |
| 2101 | GEN WJ35X10005 |
| 2181 | GEN WJ37X10006 |
| 4016 | GEN WJ01X10059 |
| 4100 | GEN WJ01X10032 |
| 4101 | GEN WJ01X10042 |
| 9999 | GEN 49-7359 |
| 9999 | GEN 31-60581 |