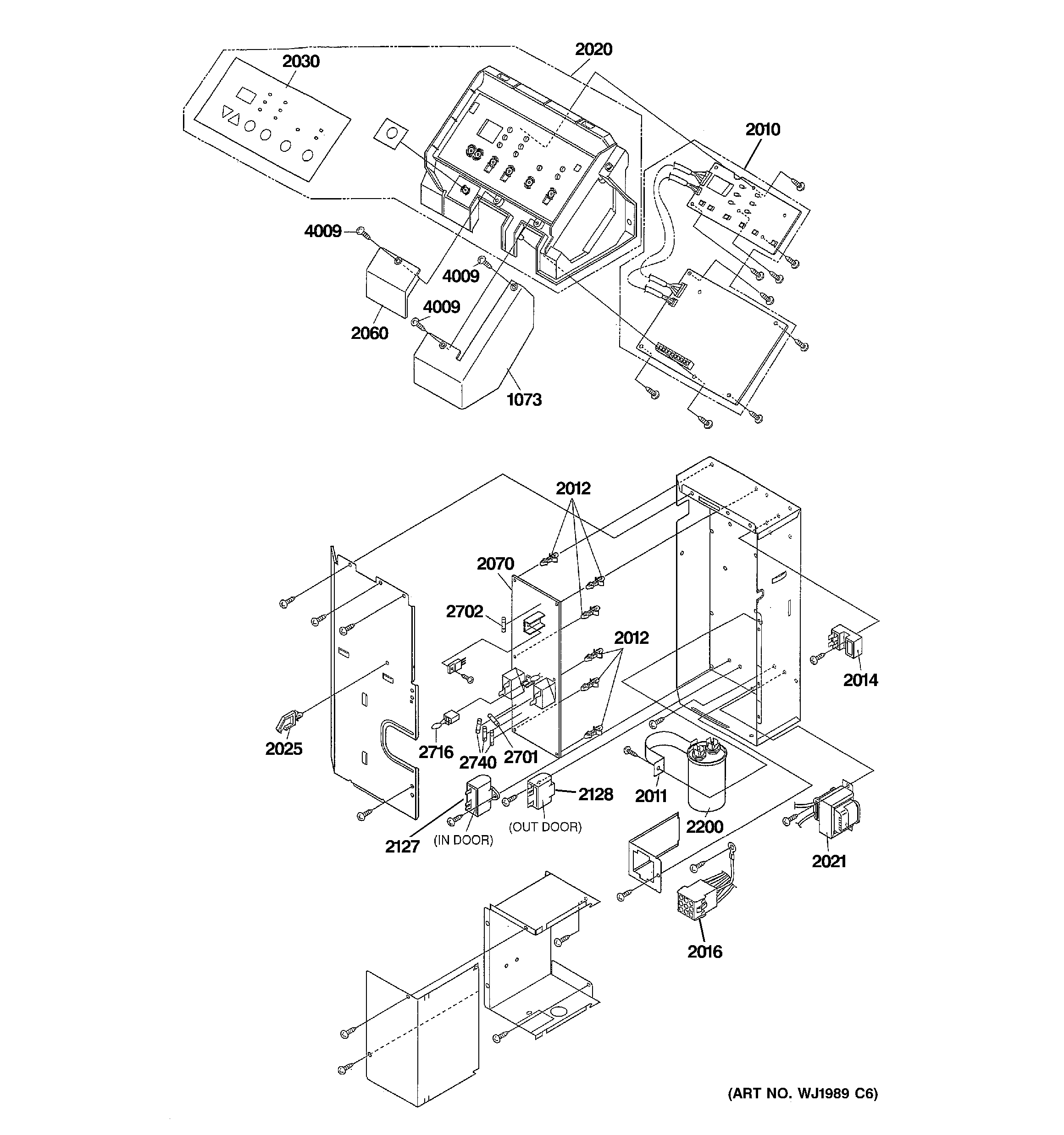
AZ41E12EACW1 CONTROL PARTSadmin2025-04-26T13:15:05+00:00AZ41E12EACW1 CONTROL PARTS ProductsPositionProduct1073WP01X10038 GE Air Conditioner Cover2010GEN WP29X100222010PWB MAIN ASM2010WP29X21384 GE Air Conditioner Main Printed Wiring Board Assembly2011WP03X10031 GE Air Conditioner Capacitor Clamp2012WP03X10022 GE Spacer2014WP29X10014 GE Terminal Board2016WP03X10026 GE Connector2016WP03X10024 GE Connector2020WP07X10013 GE Air Conditioner Control Base Assembly2021WP27X10069 GE Air Conditioner Transformer2021WP27X10068 GE Air Conditioner Transformer2025WP03X10029 GE Wire Holder2030WP07X10008 GE Air Conditioner Control Sheet2060WP01X10037 GE Cover2070WP29X10021 GE Air Conditioner Printed Wiring Board Drive2070WP29X10019 GE Drive PWB-K2127GEN WJ20X101162127GEN WJ20X101592128WP20X10026 GE Fan Capacitor Motor2128WP20X10022 GE Air Conditioner Outdoor Fan Motor Capacitor2200GEN WJ20X101322701GEN WP23X100032701WP23X10032 GE Air Conditioner Fuse2702WP23X10026 GE Air Conditioner Fuse2716WP28X10021 GE Varistor2716GEN WP28X100192740WP23X10031 GE Fuse2740WP23X10028 GE Air Conditioner Fuse4009WP01X10021 GE Air Conditioner Special Screw