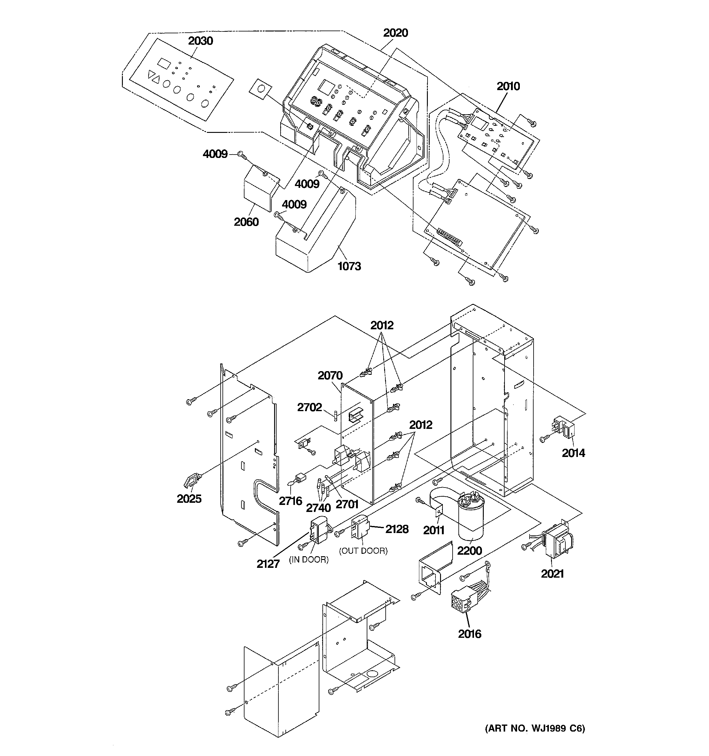
AZ41E12EACW2 CONTROL PARTSadmin2025-04-26T13:15:52+00:00AZ41E12EACW2 CONTROL PARTS ProductsPositionProduct1073WP01X10038 GE Air Conditioner Cover2010GEN WP29X100222010PWB MAIN ASM2011WP03X10031 GE Air Conditioner Capacitor Clamp2012WP03X10022 GE Spacer2014WP29X10014 GE Terminal Board2016WP03X10026 GE Connector2020WP07X10013 GE Air Conditioner Control Base Assembly2021WP27X10069 GE Air Conditioner Transformer2025WP03X10029 GE Wire Holder2030WP07X10008 GE Air Conditioner Control Sheet2060WP01X10037 GE Cover2070WP29X10019 GE Drive PWB-K2127GEN WJ20X101592128WP20X10026 GE Fan Capacitor Motor2200WP20X10033 GE Running Capacitor2701WP23X10032 GE Air Conditioner Fuse2702WP23X10026 GE Air Conditioner Fuse2716WP28X10021 GE Varistor2740WP23X10031 GE Fuse4009WP01X10021 GE Air Conditioner Special Screw