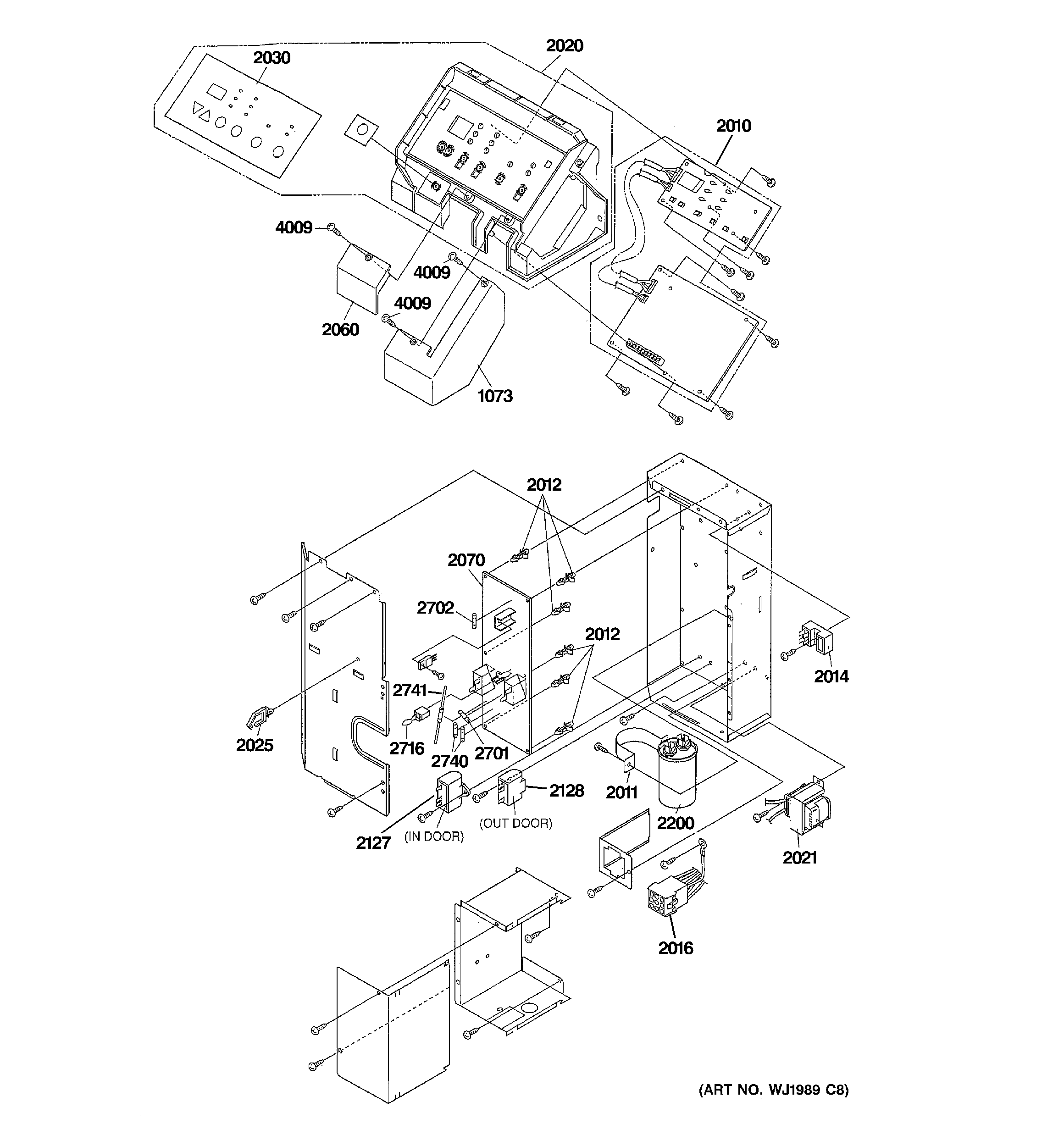
AZ41E15DABM2 CONTROL PARTSadmin2025-04-26T13:14:48+00:00AZ41E15DABM2 CONTROL PARTS ProductsPositionProduct1073WP01X10038 GE Air Conditioner Cover2010GEN WP29X100702010GEN WP29X100492011WP03X10031 GE Air Conditioner Capacitor Clamp2012WP03X10022 GE Spacer2014WP29X10014 GE Terminal Board2016WP03X10024 GE Connector2020WP07X10013 GE Air Conditioner Control Base Assembly2021WP27X10069 GE Air Conditioner Transformer2025WP03X10029 GE Wire Holder2030WP07X10008 GE Air Conditioner Control Sheet2060WP01X10037 GE Cover2070WP29X10021 GE Air Conditioner Printed Wiring Board Drive2127GEN WJ20X101162128WP20X10022 GE Air Conditioner Outdoor Fan Motor Capacitor2200GEN WJ20X101322701GEN WP23X100032702WP23X10026 GE Air Conditioner Fuse2716GEN WP28X100192740WP23X10028 GE Air Conditioner Fuse2741WP23X10042 GE Air Conditioner Inline Fuse4009WP01X10021 GE Air Conditioner Special Screw