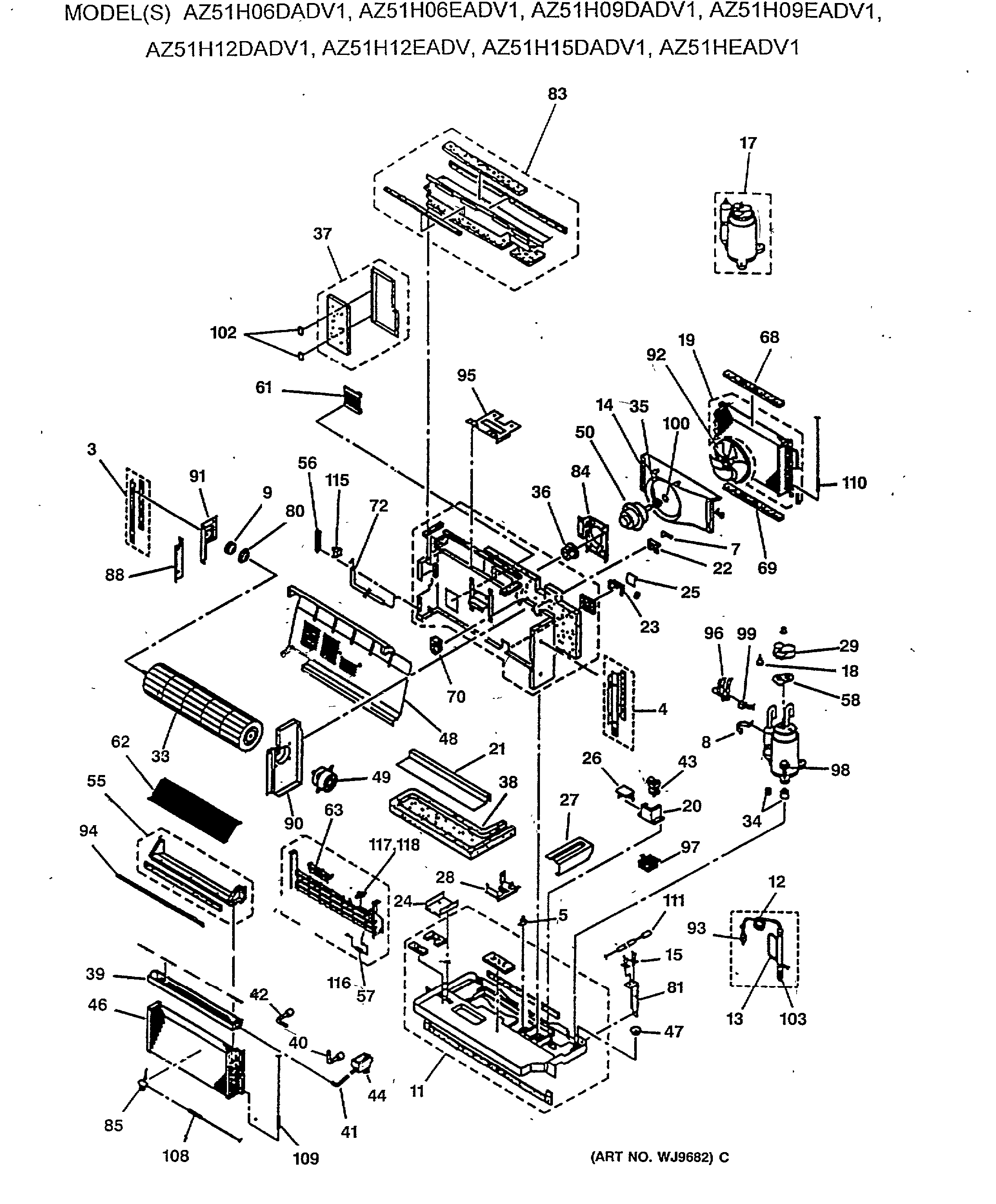
AZ51H15EADV1 1admin2025-04-26T13:13:34+00:00AZ51H15EADV1 1 ProductsPositionProduct3GEN WP82X00184GEN WP82X00195GEN WJ58X00547GEN WP04X00058GEN WJ02X05049GEN WP76X002112GEN WJ53X022613GEN WJ53X018214GEN WP76X002015GEN WP03X001717GEN WJ98X105818GEN WP23X006119GEN WP88X003621GEN WP79X006322GEN WP01X002523GEN WP01X002624GEN WP79X006125GEN WP01X003926GEN WP01X002727GEN WP01X004028GEN WP01X004129TERM COVER33GEN WP74X000534GEN WJ01X088335GEN WP01X003636GEN WP01X003737GEN WP71X004738GEN WP70X010739GEN WP70X012140GEN WP40X000141GEN WP40X000442GEN WP40X000543GEN WP95X000644GEN WP62X000546GEN WP87X004147GEN WP01X079848GEN WP79X007249GEN WP94X011050GEN WP94X011655GEN WP65X001656GEN WJ66X048557GEN WP23X008158GEN WJ43X045361GEN WP85X001662GEN WP85X001768GEN WP43X003470GEN WP43X003372GEN WP14X000780GEN WP02X004781GEN WP02X004883GEN WP79X006784GEN WP65X001385GEN WP03X001688GEN WP65X001790GEN WP65X001491GEN WP65X001592GEN WP73X000693GEN WJ56X008694GEN WP01X003595GEN WP66X004496GEN WP58X001197SCREEN DRAIN PUMP98GEN WP01X003499GEN WP59X0010100GEN WJ01X0887102GEN WP02X0037103GEN WP56X0009108GEN WP27X0048109GEN WP27X0046110GEN WP27X0050111GEN WP27X0052115GEN WJ14X0163116GEN WP23X0085117GEN WP23X0079118GEN WP23X0080