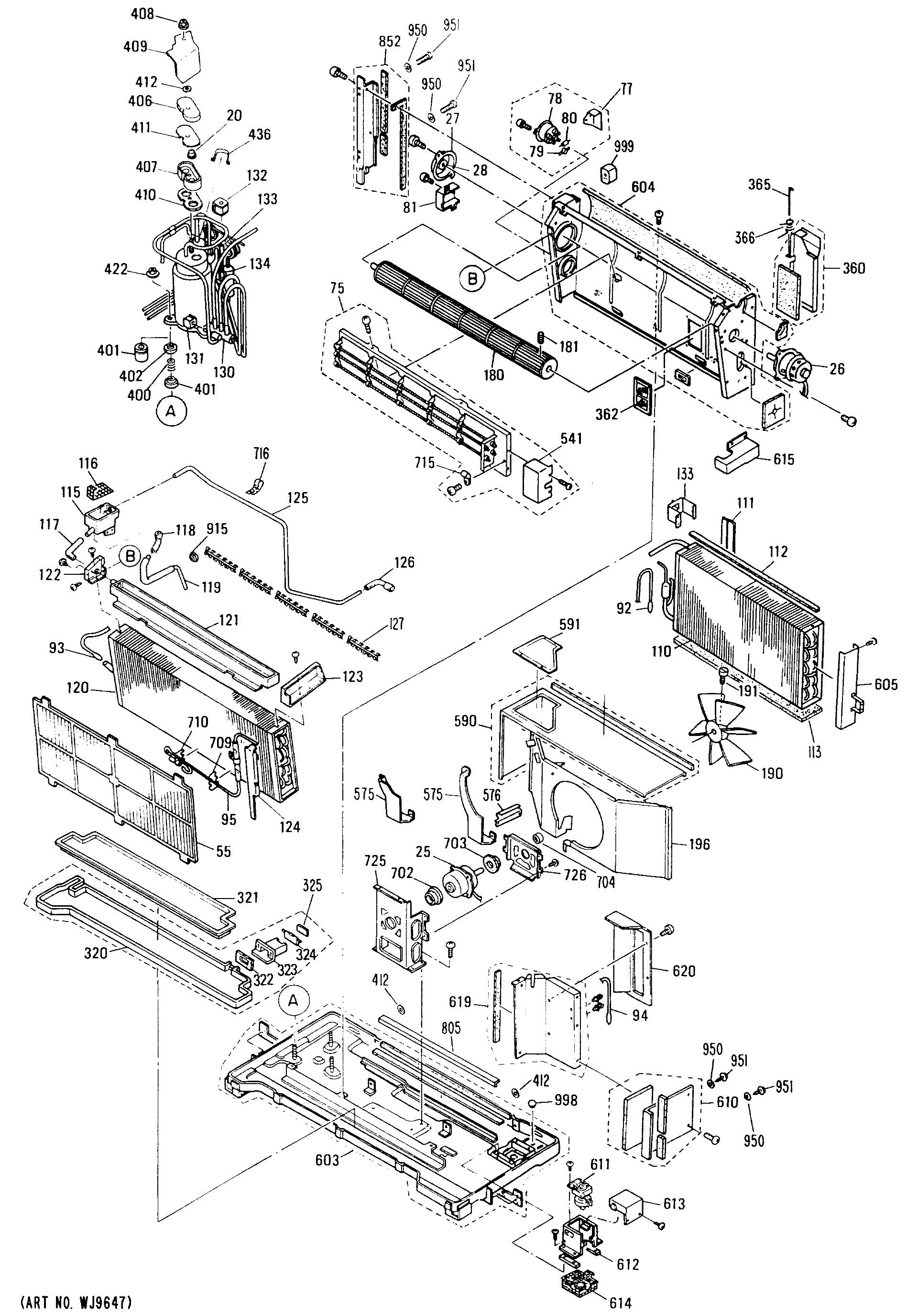
AZC409EDV1 2