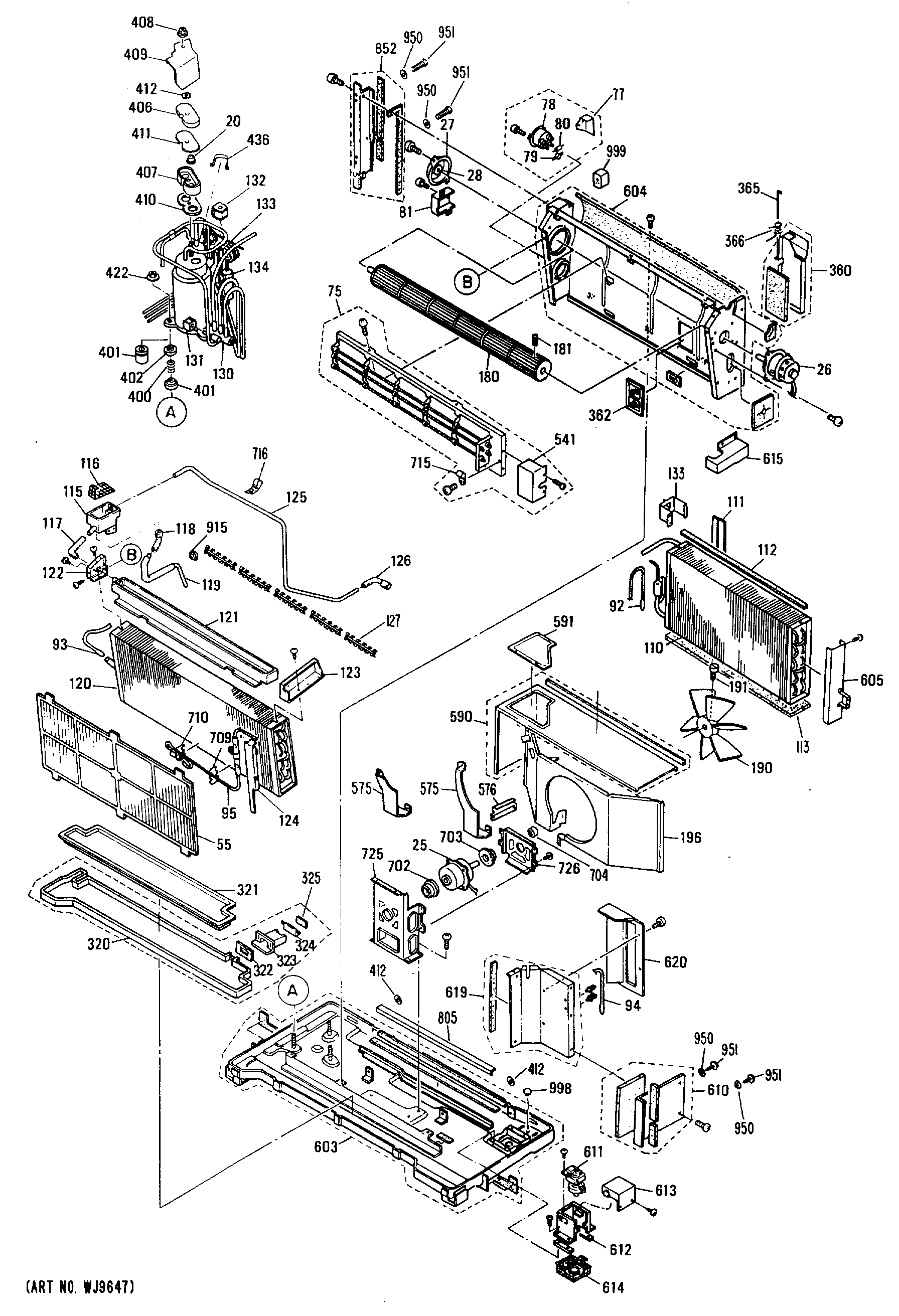
AZC509EBV1 2admin2025-04-26T08:54:19+00:00AZC509EBV1 2 ProductsPositionProduct20GEN WP23X005625GEN WP94X005326GEN WP94X006027GEN WP76X000828GEN WP76X000755GEN WP85X000875GEN WP70X007777GEN WP79X005278GEN WP76X001179GEN WP23X005480GEN WP23X005581GEN WP79X003992GEN WP29X001093GEN WP29X001194GEN WP29X001295GEN WP29X0013110GEN WP88X0010112GEN WP43X0024113GEN WP43X0031115GEN WP70X0083117GEN WP40X0002118GEN WP40X0003119GEN WP62X0003120GEN WP87X0023121GEN WP70X0081123GEN WP79X0042124GEN WP66X0028125GEN WP62X0002126GEN WP40X0001127GEN WP71X0038130GEN WJ58X0053131GEN WP59X0002132GEN WP59X0004132GEN WP58X0012133GEN WP66X0038180GEN WP74X0003181GEN WP01X0014190GEN WP73X0002196GEN WP76X0016320GEN WP70X0082321GEN WP70X0079323GEN WP66X0036324GEN WP66X0037325GEN WP43X0027360GEN WP70X0080362GEN WP85X0010365GEN WP01X0011366GEN WP02X0031400GEN WP02X0026401GEN WJ01X0767402GEN WJ01X0768406GEN WJ79X0431407GEN WJ79X0430408GEN WJ01X0764409GEN WP79X0032410GEN WJ43X0413411GEN WP43X0023412GEN WP01X0017422GEN WJ01X0722436GEN WJ02X0485541GEN WP79X0038575GEN WP70X0092576GEN WP70X0096590GEN WP82X0016591GEN WP82X0015603GEN WP89X0002604GEN WP76X0012605GEN WP81X0008610GEN WP82X0014611GEN WP95X0004611GEN WP79X0031612GEN WP79X0034613GEN WP79X0035614SCREEN DRAIN PUMP619GEN WP70X0094620GEN WP70X0086702GEN WP60X0012703MOTOR SEAL705GEN WJ01X0760709GEN WP02X0023710GEN WP02X0024715GEN WP02X0022716GEN WP02X0032725GEN WP65X0006726GEN WP65X0007805GEN WP70X0097852GEN WP82X0013915GEN WP01X0015950GEN WP01X0020951GEN WP01X0021998GEN WJ01X0798