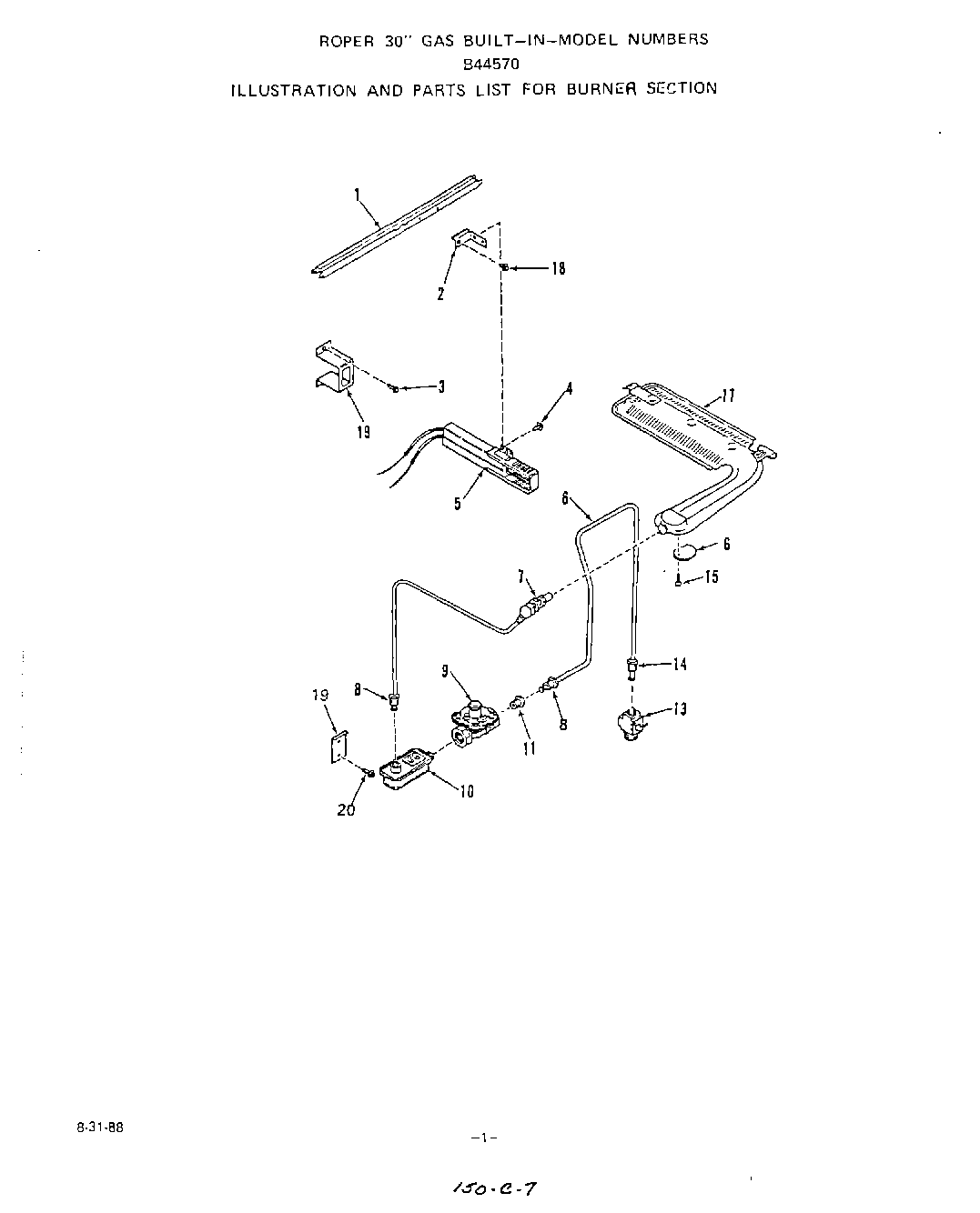
B4457B0 02 – BURNERadmin2025-04-26T12:05:30+00:00B4457B0 02 – BURNER ProductsPositionProduct1Oven Burner Support2Igniter Bracket3Screw 10-16x7/16``4Screw 8 - 32x3/8``5Igniter6Tubing7Orfice Tubing w/Nut9Pressure Regulator10Control Valve11Connector12Bracket-Control Valve13Inlet Valve14Inverted Nut 3/8``16Air Shutter17Oven Burner18Screw 10 - 32 x 1/4``19Igniter Support Bracket20WP112432 Whirlpool Nut Assembly