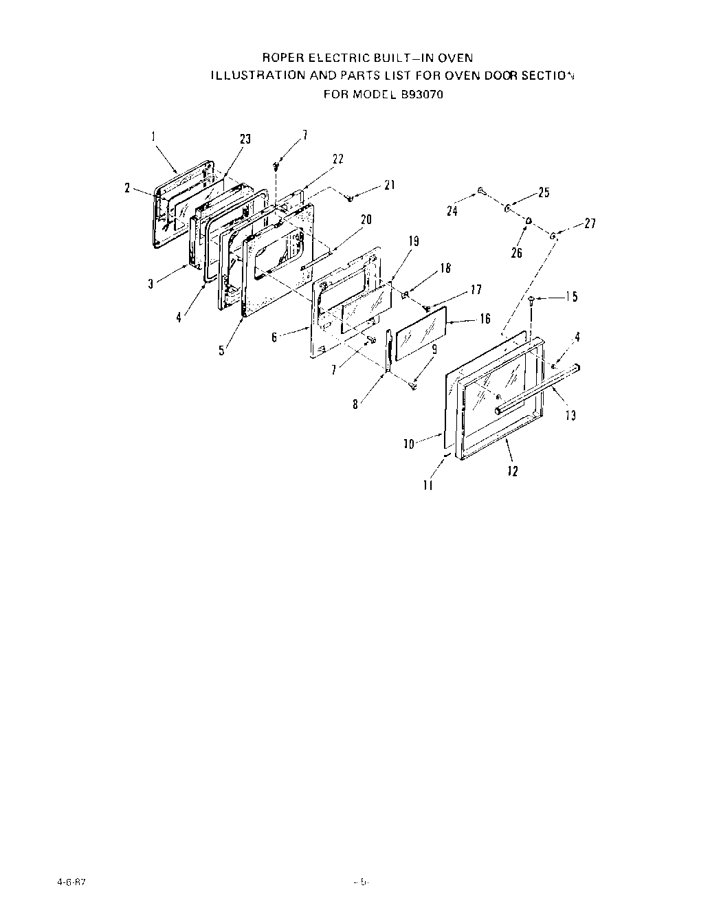
B9307^0 05 – OVEN DOOR