| xWire Harness |
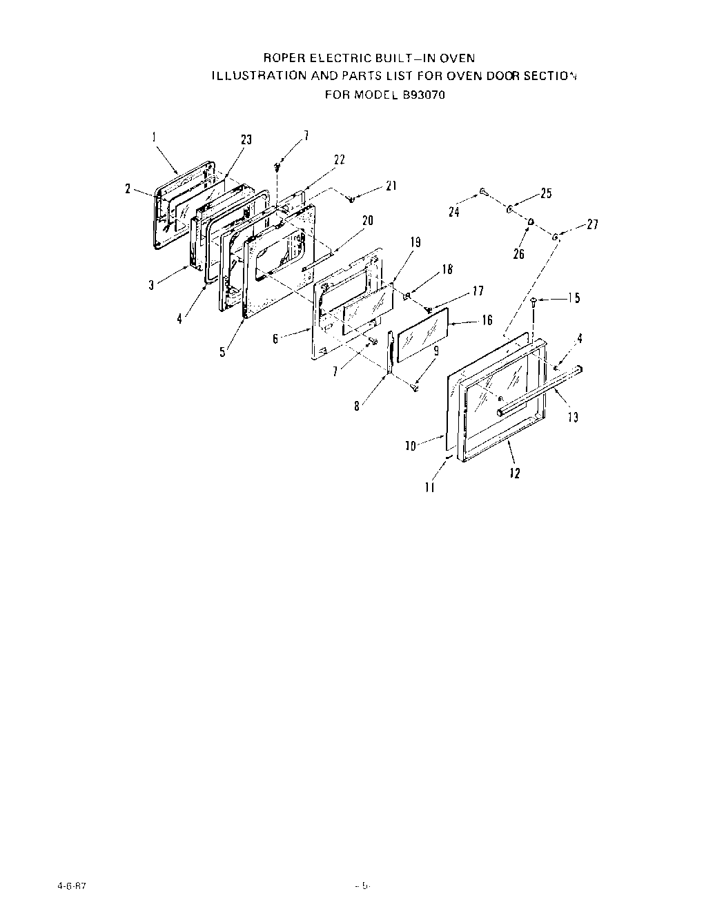
| 1 | 2045B1A Model |
| 2 | Seal-Inner Glass |
| 3 | Insulation-Oven Door Plug |
| 4 | Gasket-Oven Door |
| 5 | Insulation-Oven Door Lining |
| 6 | Retainer-Oven Door Insulation |
| 7 | WP112432 Whirlpool Nut Assembly |
| 8 | Retainer-Oven Door Glass (Lt. or Rt.) |
| 9 | Screw 10-16x7/16`` |
| 10 | Oven Door Glass-Outer |
| 11 | Cushion-Door Glass |
| 12 | Frame-Oven Door |
| 13 | Handle-Oven Door |
| 14 | Spacer |
| 15 | Screw 6-20x3/8`` |
| 16 | Oven Door Glass-Intermediate |
| 17 | Screw 10-32x17/32`` |
| 18 | Retainer-Door Glass |
| 19 | Oven Door Glass-Center |
| 20 | WP312967 Whirlpool Clamp |
| 21 | Screw 10 - 32 x 7/16`` |
| 22 | 2045B1A Model |
| 23 | Oven Door Glass-Inner |
| 24 | Screw 10-32x3/4`` |
| 25 | Washer |
| 26 | Spacer-Glass |
| 27 | Lock Switch |
| 27 | Main |
| 27 | Relay |
| 27 | Wire Harness (Sensor) |
| 27 | Washer |