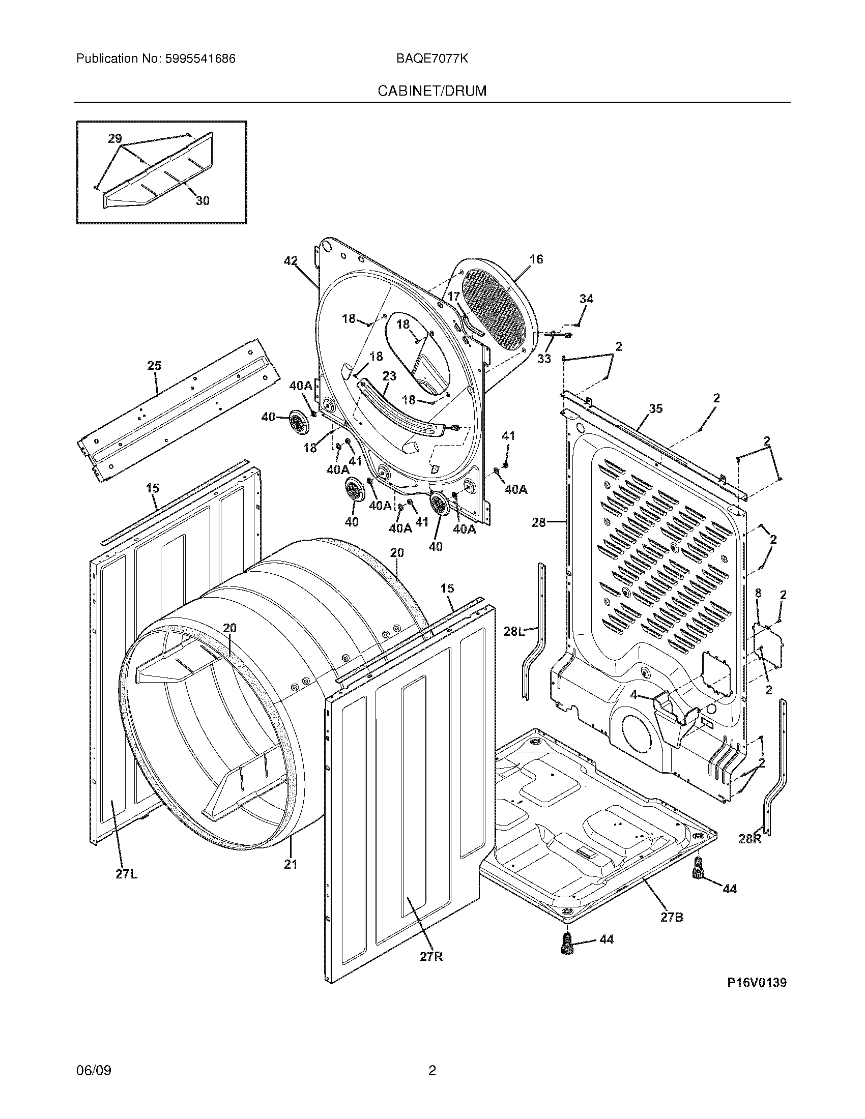
BAQE7077KW0 03 – CABINET/DRUMadmin2025-04-26T08:48:31+00:00BAQE7077KW0 03 – CABINET/DRUM ProductsPositionProductNI134930800 Frigidaire HarnessNI134716200 Frigidaire RetainerNI5308027429 Frigidaire Dryer High Temperature Adhesive4WCI 1347922008134694400 Frigidaire Cover15137031800 Frigidaire Cushion165304508449 Frigidaire Washer Dryer Air Duct17134792900 Frigidaire Protector18131168200 Frigidaire Dryer Screw20WCI 13470590021WCI 13471191023134786100 Frigidaire Moisture Sensor25WCI 13491210027B134690203 Frigidaire Base27LWCI 13469031027RWCI 13469041028RWCI 13706680028LWCI 13702990028WCI 13471320029131205100 Frigidaire Screw30WCI 13711681033SAFETY THERMSTAT34131243700 Frigidaire Screw35WCI 13470620040A134716700 Frigidaire Washer405304523155 Frigidaire Washer Kit41134716800 Frigidaire Nut42WCI 13471281044WCI 137029700