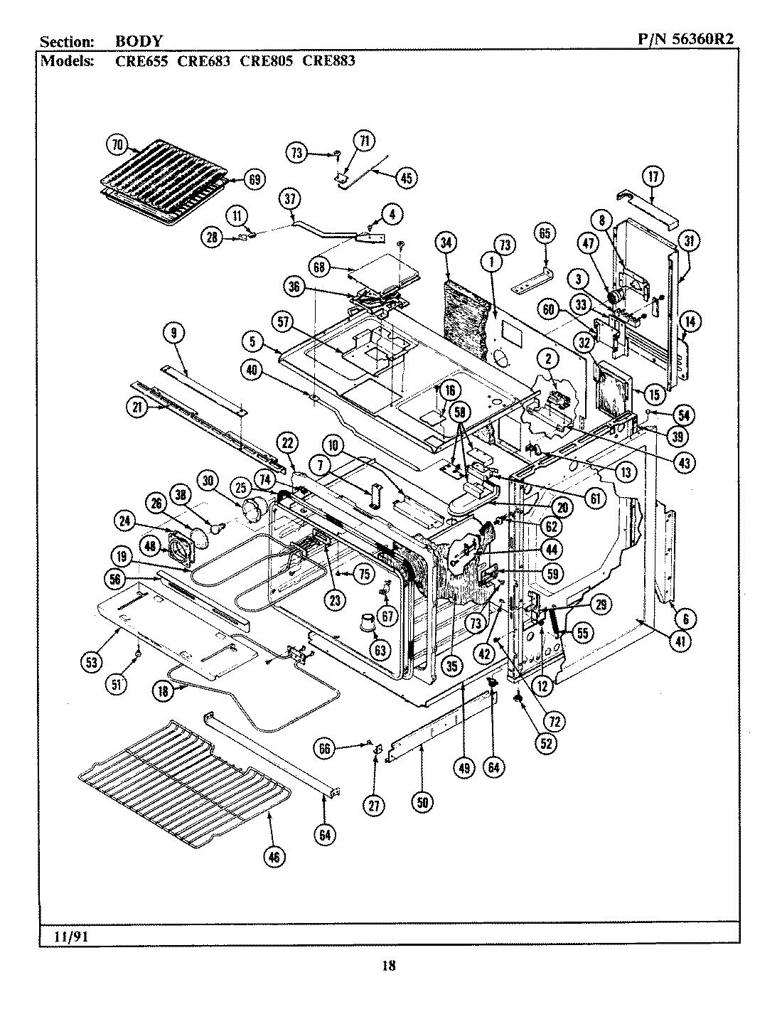
BCRE805 01 – BODY