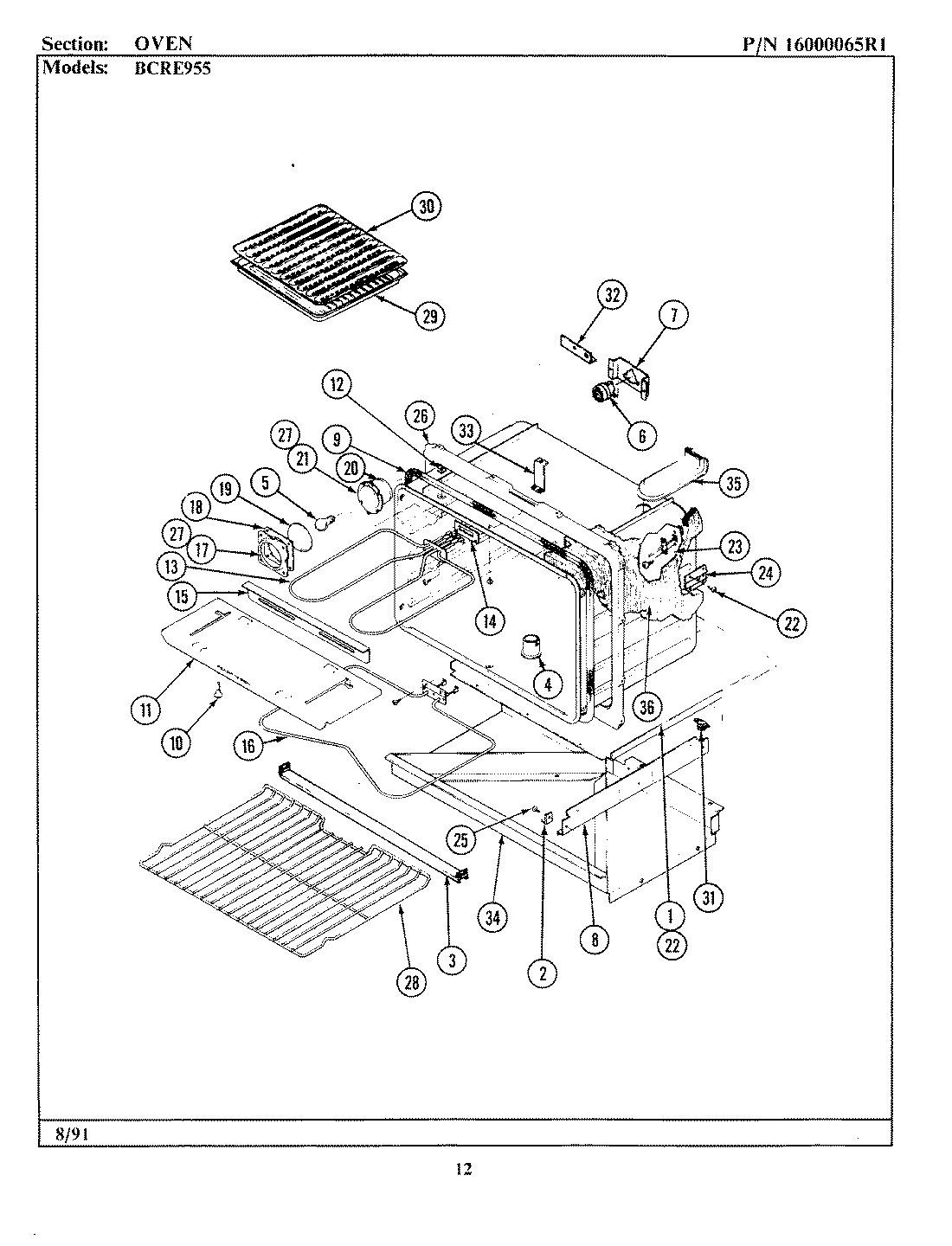
BCRE955 06 – OVENadmin2025-04-26T11:18:20+00:00BCRE955 06 – OVEN ProductsPositionProduct1MAY 3804F102-801MAY 3804F093-802MAY 8016P005-603MAY 3802F076-514MAY 8026A011-605MAY 7407P026-606MAY 7408P002-607MAY 3801F024-518MAY 3406F027-518MAY 3406F025-519MAY 7201P036-6010MAY 7118P001-6011MAY 3604F092-4512MAY 7103P062-6013MAY 7406P032-6013MAY 7406P068-6014MAY 7201P003-6015MAY 3807F176-1915MAY 3807F176-1516MAY 7406P010-6016MAY 7406P067-6017MAY 3804F012-4518MAY 7201P015-6019MAY 7902P057-6020MAY 4001F020-1920MAY 4001F020-2321MAY 7201P014-6023MAY W1012732323MAY 1250002924MAY 3807F205-4525MAY 7101P012-6026MAY 2201F061-1926MAY 2201F061-2328MAY 7801P032-6029MAY Y3401F0201929MAY 3401F004-1530MAY Y3413F0161930MAY 3413F002-1531MAY 7403P164-6032MAY 3604F007-8033MAY 3801F093-4534MAY 3601W120-8035MAY 4006W056-4536MAY 4804F008-6036MAY 7002P046-60