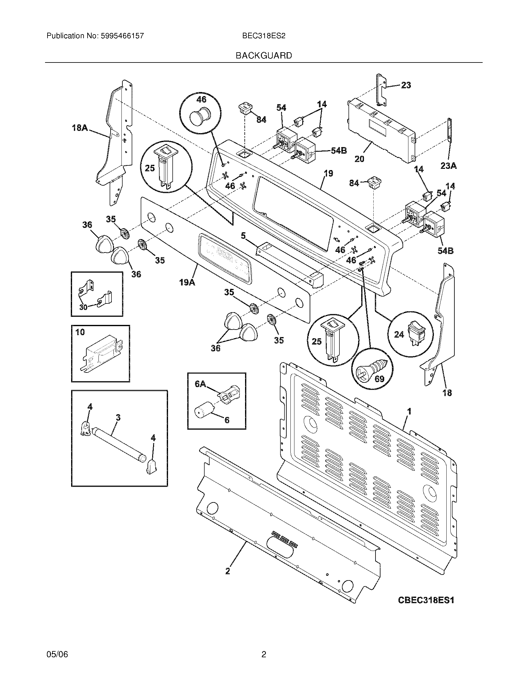
| NI | SCREW,TRUSS HEAD,8-18 X 0.375 |
| NI | WCI 318232103 |
| NI | 5303323137 Frigidaire Oven Screw |
| NI | 5303211311 Frigidaire Refrigerator Screw |
| 1 | WCI 318314100 |
| 2 | WCI 318288201 |
| 3 | WCI 5304448825 |
| 4 | WCI 318323401 |
| 5 | WCI 318288000 |
| 6A | WCI 318110400 |
| 6 | WCI 5304448826 |
| 10 | WCI 318122804 |
| 14 | 316022500 Frigidaire Oven Warmer Drawer Zone Indicator Light Lamp |
| 18A | WCI 318287903 |
| 18 | WCI 318287902 |
| 19A | WCI 318329909 |
| 19 | WCI 318288636 |
| 20 | WCI 316418541 |
| 23A | WCI 318308600 |
| 23 | WCI 318308500 |
| 24 | 5304527842 Frigidaire Rocker Switch |
| 25 | WCI 318324200 |
| 30 | WCI 318316900 |
| 35 | WCI 318335400 |
| 36 | WCI 318017110 |
| 46 | 5304462665 Frigidaire Oven Lens Kit |
| 54 | WCI 318220083 |
| 54B | WCI 318220084 |
| 69 | 5303288565 Frigidaire Screw |
| 84 | WCI 318146830 |