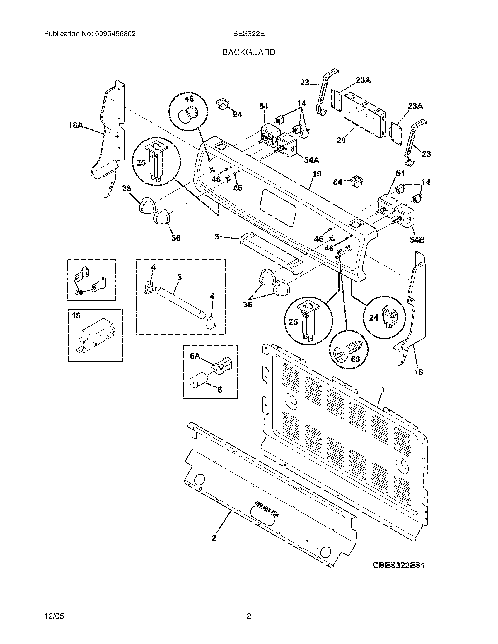
BES322ES3 03 – BACKGUARD