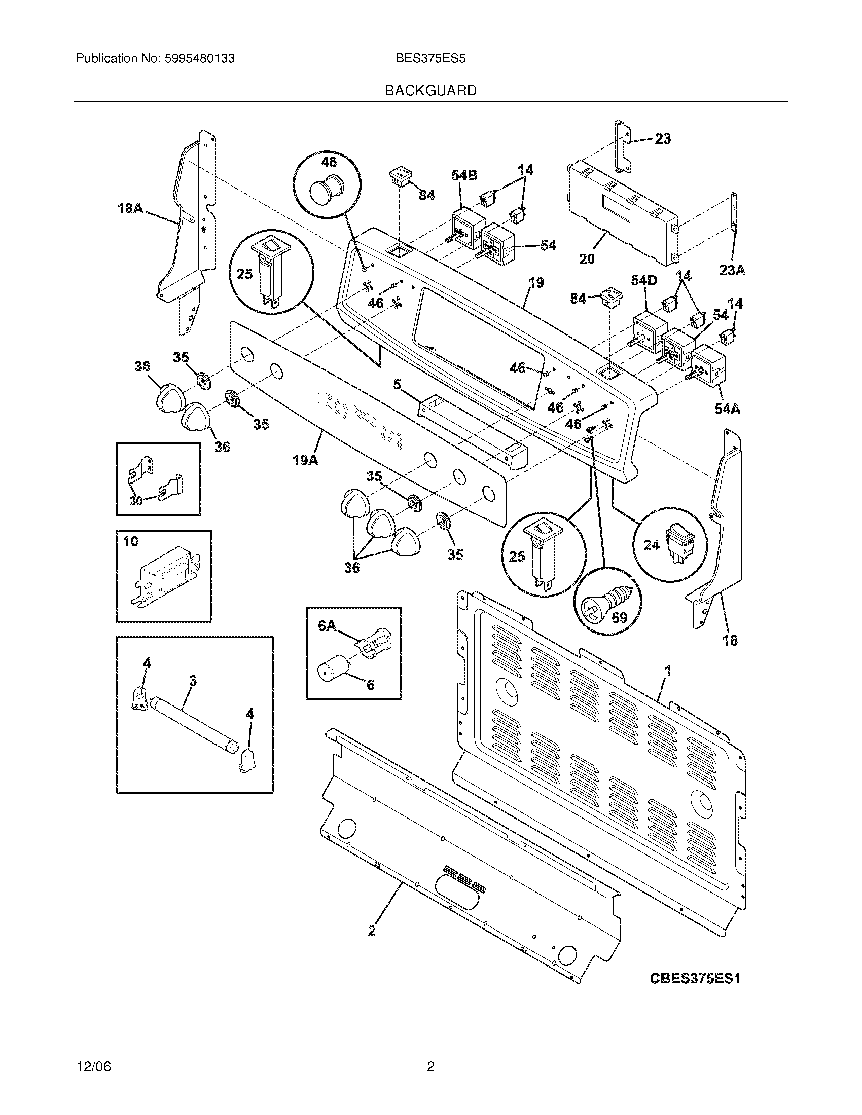
BES375ES5 03 – BACKGUARD