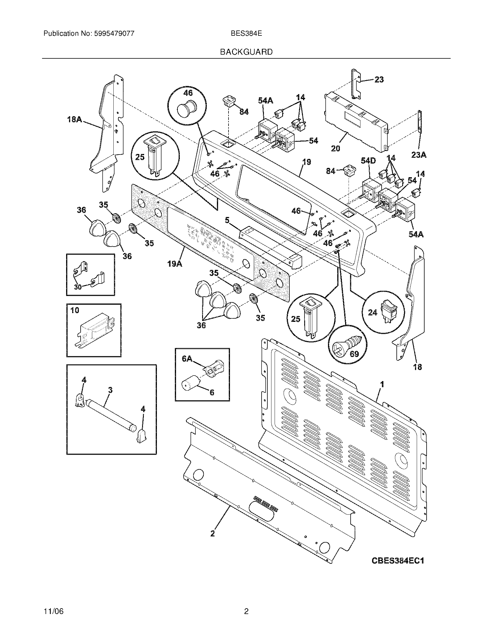
BES384EB3 03 – BACKGUARD