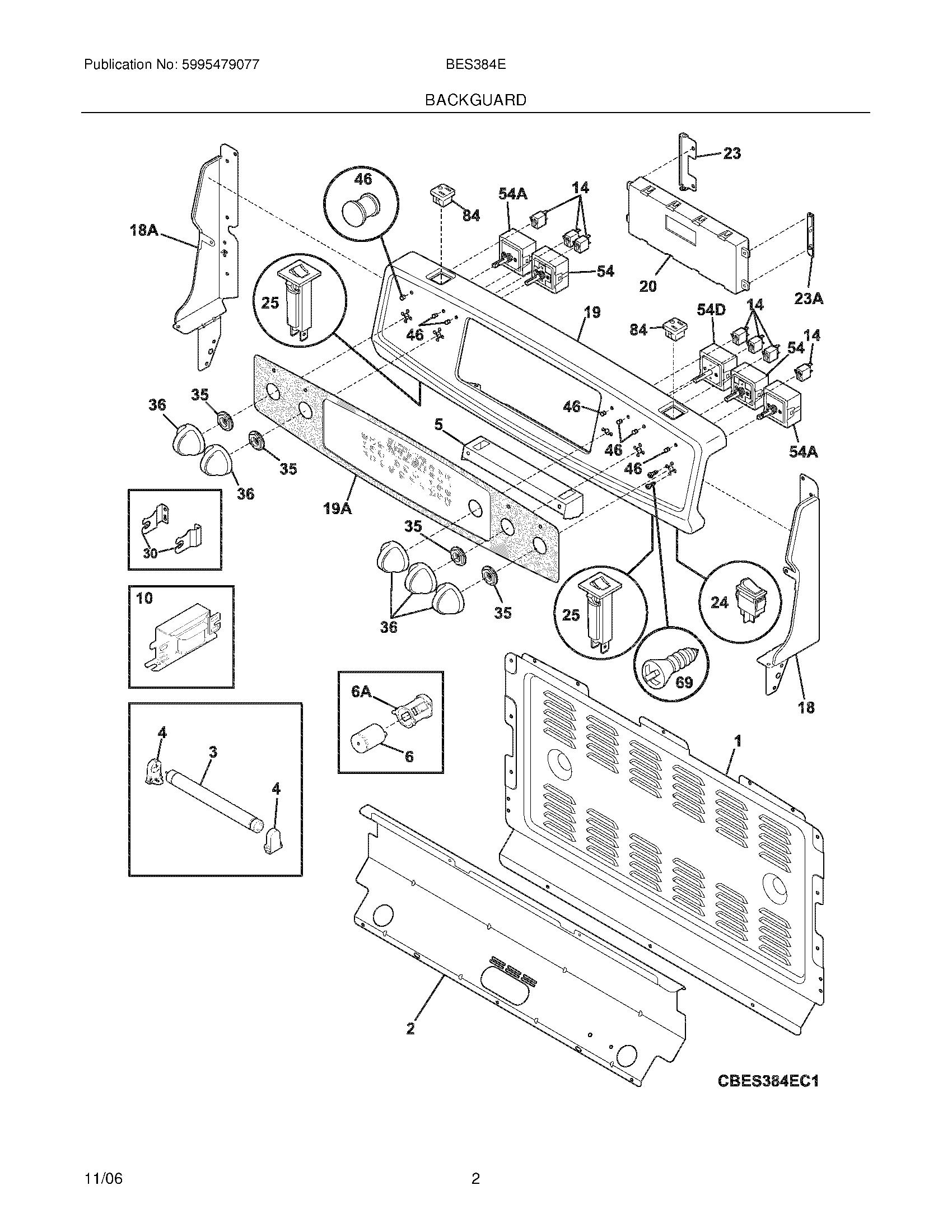
BES384ES3 03 – BACKGUARD