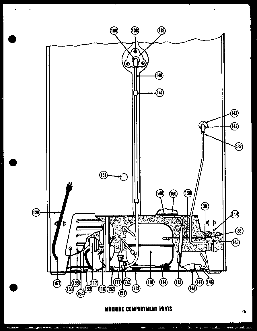
BR16E 05 – MACHINE COMPARTMENT PARTSadmin2025-04-26T10:34:45+00:00BR16E 05 – MACHINE COMPARTMENT PARTS ProductsPositionProductNIMAY M0113801NIMAY M0214516NIMAY M0282009NIMAY A3076701NIMAY M0211519NIMAY D3775201NIMAY B0527101NIMAY C3524701NIMAY M0274015NIMAY A3017602NIMAY M0205530NIMAY M0103001NIMAY A3054601NIMAY A3553301NIMAY A635NIMAY A636NIMAY A637NIMAY A638NIMAY C3558601NIMAY C3533801NIMAY A3043601NIMAY M0211016NIMAY A0382801NIMAY YA0381501NIWP486692 Whirlpool Refrigerator NutNIMAY M0211018NISEE NOTE GROUND WIRE, GREEN110MAY D3858101110MAY D3871601111MAY B0551801112MAY A3041801113MAY A3026101114MAY M0111001115MAY A0329805116MAY B0487801117MAY B0552004120MAY B0594501138MAY M0211532139MAY A0391201140MAY A0320401141MAY M0102201146DRIER147MAY M0102315148MAY M0218037148MAY A3013905149MAY A0382903149MAY A0382901149MAY A0382902150MAY M0216529151MAY M0103002152MAY D3866701153MAY M0102314154MAY M0103401155MAY C3574401157MAY A0319701159MAY C3570501160MAY C3513501161MAY A0353901