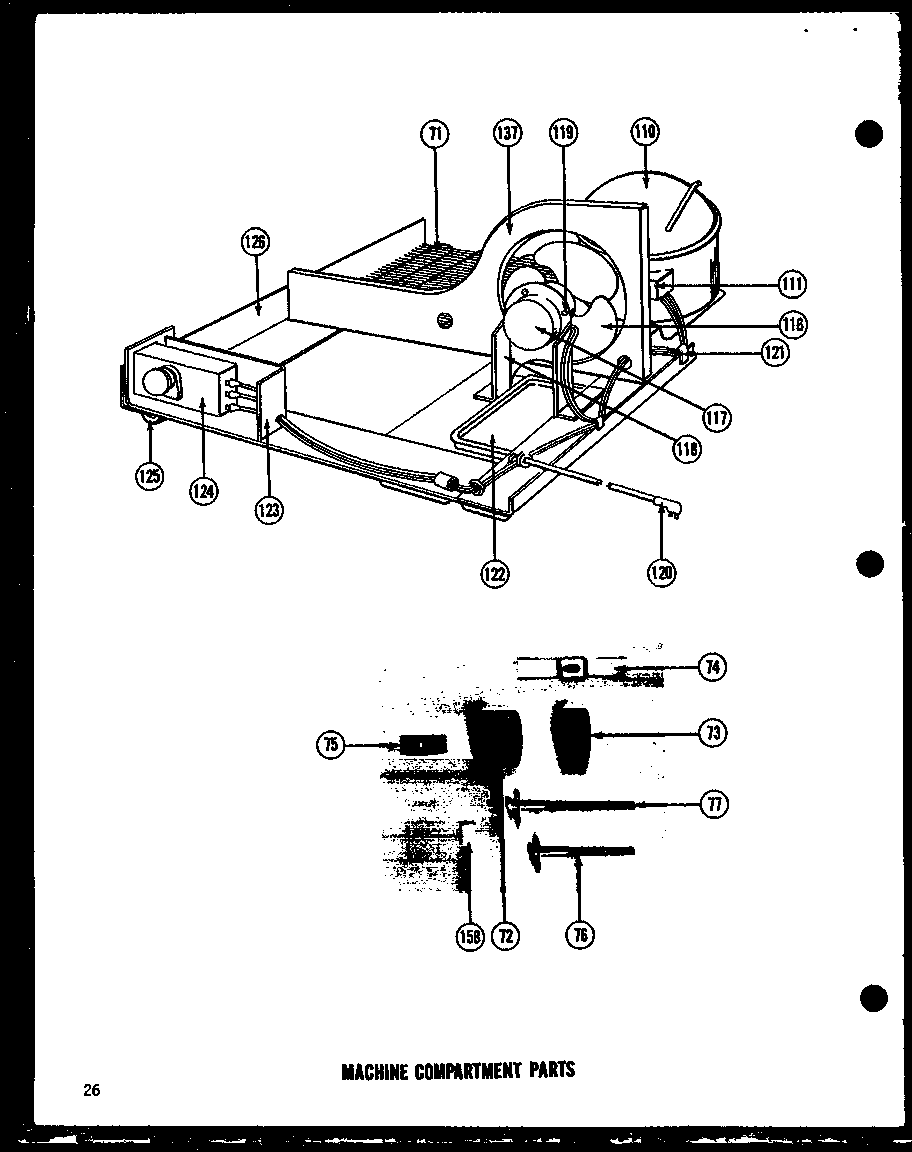
BR16LE 06 – MACHINE COMPARTMENT PARTS