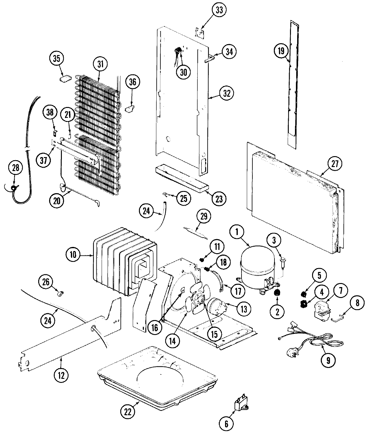
BS24Y9DV 09 – UNIT COMPARTMENT & SYSTEMadmin2025-04-26T10:37:26+00:00BS24Y9DV 09 – UNIT COMPARTMENT & SYSTEM ProductsPositionProduct1W10309995 Whirlpool Refrigerator Compressor1MAY 610010171MAY 69062-11MAY 120000582MAY 17245-43MAY 65275-94MAY 66588-54WP10097204 Whirlpool Start Relay5MAY 610017855MAY 69105-86WP65889-4 Whirlpool Refrigerator Capacitor6WPW10662129 Whirlpool Refrigerator Run Capacitor7MAY 66589-28MAY 65886-19MAY 52890-310MAY 414001-110MAY 60408-210MAY 64998-111MAY 53351-112MAY 70362-112WP488729 Whirlpool Refrigerator Door Screw13833697 Whirlpool Condenser Fan Motor13MAY 6100101813MAY 65275-3314WP12587601 Whirlpool Refrigerator Condenser Blade15MAY 69063-116WP486692 Whirlpool Refrigerator Nut17MAY 69181-118MAY 56933-119MAY 70263-119MAY 66381-120MAY 69848-221MAY 52067-123MAY 53523-224MAY 26911-2525WP596669 Whirlpool Hose Clamp26MAY 53516-527MAY 66339-328MAY 26088-2328MAY 6100103928MAY 65013-2429MAY 1390030MAY 52085-2931MAY 52551-2232MAY 68834-233MAY 55878-134MAY 66325-1835MAY 65063-136MAY 65064-137MAY 29915-1337WP489478 Whirlpool Refrigerator Screw38MAY 52561-139MAY 108429-3