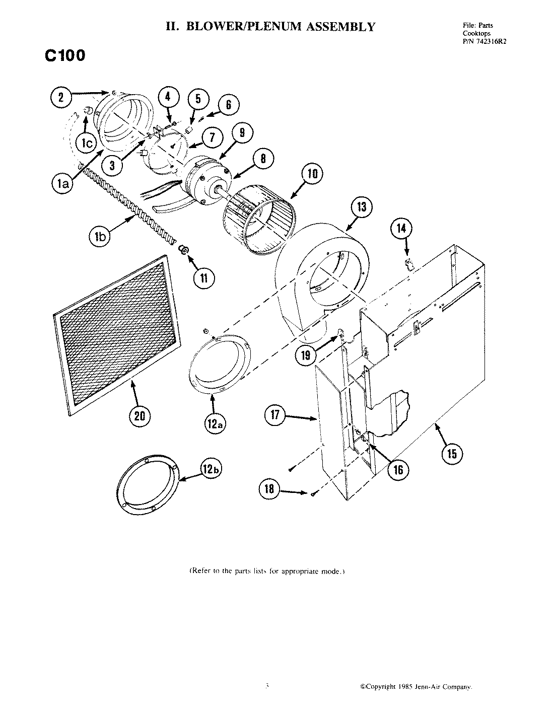
C100 01 – BLOWER ASSEMBLYadmin2025-04-26T08:45:04+00:00C100 01 – BLOWER ASSEMBLY ProductsPositionProduct1MAY 7157801MAY 7088631MAY 7000271MAY Y7077581MAY 7077661MAY Y7073352WPY707702 Whirlpool Locknut3MAY 7071614MAY Y7074025MAY Y7089267MAY Y7073938MAY Y7077049MAY Y71595710WPY707985 Whirlpool Wheel Assembly11MAY 70818512MAY Y70229512RING, INLET (WITH STUDS)13MAY Y71205314MAY Y70768815MAY Y70184016MAY 70195817MAY Y70768118MAY Y70717219MAY Y70783120WP707929 Whirlpool Grease Filter