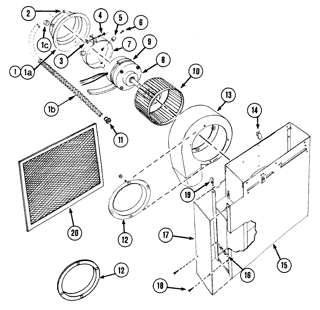
| 1 | MAY 715780 |
| 1 | MAY 707766 |
| 1 | MAY Y707758 |
| 1 | MAY 700027 |
| 1 | MAY 708863 |
| 1 | MAY Y707335 |
| 2 | WPY707702 Whirlpool Locknut |
| 3 | MAY 707161 |
| 4 | MAY Y707402 |
| 5 | MAY 08929 |
| 5 | MAY Y708926 |
| 7 | MAY Y707393 |
| 8 | MAY Y707704 |
| 9 | MAY Y715957 |
| 10 | WPY707985 Whirlpool Wheel Assembly |
| 11 | MAY 708185 |
| 12 | MAY Y702295 |
| 12 | RING, INLET (WITH STUDS) |
| 13 | MAY Y712053 |
| 14 | MAY Y707688 |
| 15 | MAY Y701840 |
| 16 | MAY 701958 |
| 17 | MAY Y707681 |
| 18 | MAY Y707172 |
| 19 | MAY Y707831 |
| 20 | WP707929 Whirlpool Grease Filter |