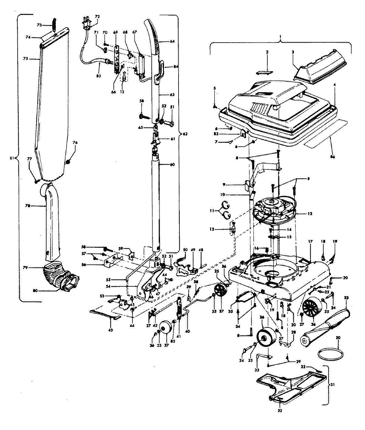
C1067— 03 – HANDLE, MAINBODY, OUTERBAG, HOODadmin2025-04-26T08:45:09+00:00C1067— 03 – HANDLE, MAINBODY, OUTERBAG, HOOD ProductsPositionProduct1MAY 422511072MAY 481110083MAY 372460394MAY 362310315MAY 12997AW-6MAY 168278AY7MAY 212561348MAY 015738EF9MAY 3428701210MAY 3431201111MAY 2747930712MAY 048969--13MAY 4357419214MAY 017001FW15MAY 3466500716MAY 3691300716MAY 012559FW17MAY 4224221917MAY 4715500518MAY 4632103319MAY 3228401820MAY 2163130122MAY 012503EF22MAY 012704BZ23MAY 3172802224MAY 4367503125MAY 3833500926MAY 4112802127MAY 4366704028MAY 3517300129MAY 3411201530MAY 4142700631MAY 3412302031MAY 3724508132MAY 3615501133MAY 3877500134MAY 3867300135MAY 049044--36MAY 017206--37MAY 015854EF38MAY 4142401139MAY 013730--41MAY 3845205142MAY 161509AY43MAY 3842608043MAY 5115103445MAY 3546301146MAY 034192--47MAY 2148175248MAY 047450AY49MAY 011735--49MAY 4313704750MAY 048409FW51MAY 019907--51MAY 3227702152MAY 013704--52MAY 161513--52MAY 3132300153MAY 3845604453MAY 3425200554MAY 4141603854MAY 3218200155MAY 3852104156MAY 4326300357MAY 3315200358MAY 2131277259MAY 3543404060MAY 2147934761MAY 047457AY62MAY 4224600863MAY 2131272464MAY 34791AG-65MAY 2144702066MAY 048422-67MAY 2131278168MAY 3615300669MAY 2144722970MAY 3411100171MAY 4143500572MAY 44783AG-73MAY 3478402174MAY 012138FW75MAY 012503E