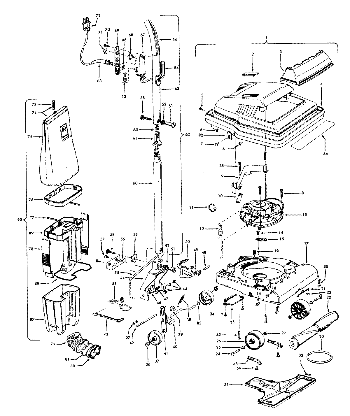
C1069— 03 – HANDLE, MAINBODY, OUTERBAG, HOODadmin2025-04-26T08:44:31+00:00C1069— 03 – HANDLE, MAINBODY, OUTERBAG, HOOD ProductsPositionProduct1MAY 422511072MAY 481110083MAY 372460394MAY 362310315MAY 12997AW-6MAY 168278AY7MAY 212561348MAY 015738EF9MAY 3428701210MAY 3431201112MAY 048969--13MAY 4357419214MAY 017001FW15MAY 3466500716MAY 012559FW17MAY 4224221918MAY 2131278119MAY 048422-20MAY 3478402121MAY 012138FW22MAY 012503EF23MAY 4143500524MAY 047457AY25MAY 2131272426MAY 34791AG-27MAY 013730--28MAY 2144722029MAY 2144722930MAY 44783AG-31MAY 4224600831MAY 3724508132MAY 3411100133MAY 3615300634MAY 2147934735MAY 3543404036MAY 3218200137MAY 3852104138MAY 161513--39MAY 3425200540MAY 3315200341MAY 4326300342MAY 161509AY43MAY 5115103444MAY 011735--45MAY 2144702046MAY 019907--47MAY 048409FW48MAY 047450AY49MAY 4313704750MAY 3842608051MAY 3227702152MAY 013704--52MAY 3132300153MAY 3845604454MAY 4141603855MAY 4632103356MAY 034192--57MAY 2148175258MAY 2163130159MAY 3546301160MAY 3228401861MAY 3691300762MAY 4864404363MAY 4864404164MAY 023458LY65MAY 4715500566MAY 3425301067MAY 3721407068MAY 281770KD69MAY 2747930769MAY 3725811070MAY 2146531471MAY 3842101272MAY 4638313773MAY 3833500974MAY 4112802175MAY 4366704076MAY 3517300177MAY 3411201578MAY 3615501179MAY 3867300180MAY 4142401181MAY 049044--81MAY 017206--81MAY 015854EF82MAY 3695100483MAY 3621600284MAY 3944101685MAY 2131277286MAY 5211512187MAY 3877500188MAY 3412302089MAY 4142700690MAY 43675031