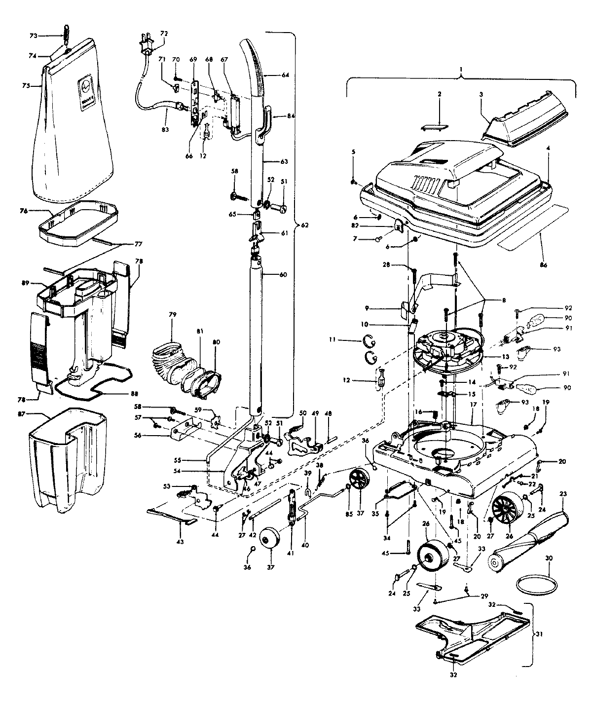
C1091— 01 – AGITATOR, HANDLE, MAINBODY, OUTERBAGadmin2025-04-26T08:44:16+00:00C1091— 01 – AGITATOR, HANDLE, MAINBODY, OUTERBAG ProductsPositionProduct1MAY 422511752MAY 481110083MAY 372460414MAY 362310317MAY 212561348MAY 015738EF9MAY 3428701210MAY 3431201111MAY 2747930712MAY 048969--13MAY 4357410314MAY 2144722915MAY 3466500716MAY 012559FW17MAY 4224221918MAY 2131278119MAY 048422-20MAY 3478402121MAY 012138FW23MAY 4841400323MAY 3642200323MAY 160646BZ23MAY 035366--23MAY 4326700223MAY 012985AY23MAY 3272400823MAY 048495--23MAY 2134700324MAY 047457AY25MAY 2131272426MAY 34791AG-27MAY 013730--28MAY 2144722029MAY 012954--30MAY 44783AG-31MAY 3724508131MAY 4224600832MAY 3411100133MAY 3615300634MAY 2147934735MAY 3543404036MAY 3218200137MAY 3852104138MAY 161513--39MAY 3425200540MAY 3315200341MAY 4326300342MAY 161509AY43MAY 5115103444MAY 011735--45MAY 2144702046MAY 019907--47NOT REQUIRED PART OR SEE NOTE FUSE (NOT REQUIRED)48MAY 047450AY49MAY 4313704750MAY 3842608051MAY 3227702152MAY 013704--52MAY 3132300153MAY 3845604454MAY 4141603855MAY 4632103356MAY 034192--57MAY 2148175259MAY 3546301160MAY 3228401861MAY 3691300762MAY 4864404363MAY 4864404164MAY 023458LY65MAY 4715500566MAY 3425301067MAY 3721407068MAY 281770KD69MAY 3725811070MAY 2146531471MAY 3842101272MAY 4632306173MAY 3833500974MAY 4112802175MAY 4366705676MAY 3517300177MAY 3411201578MAY 3615501179MAY 3867300180MAY 4142401181MAY 049044--81MAY 017206--81MAY 015854EF82MAY 3695100483MAY 3621600284MAY 3944101685MAY 2131277286MAY 5211512187MAY 3877500188MAY 3412302089MAY 4142700690MAY 2731310191MAY 4717600292MAY 2144700393MAY 5671105093MAY 36912005