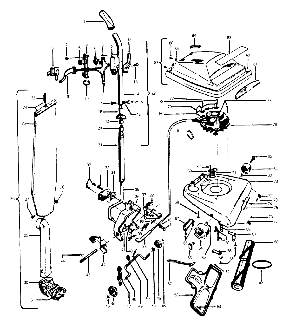
C1099— 03 – HANDLE, MAINBODY, OUTERBAG, HOODadmin2025-04-26T08:44:33+00:00C1099— 03 – HANDLE, MAINBODY, OUTERBAG, HOOD ProductsPositionProductNIMAY 565112711MAY 23458AG-2MAY 372140703MAY 276667024MAY 281770KD5MAY 372581106MAY 384210127MAY 214653148MAY 463831379MAY 3621600210MAY 2747930711MAY 048969--12MAY 3944101613MAY 2125609414MAY 4864406115MAY 3227702116MAY 013704--17MAY 2163130118MAY 3691300719MAY 4715500520MAY 4632103321MAY 3228401822MAY 4864405923MAY 3833601924MAY 4112800726MAY 4367407727MAY 2176515928MAY 015854EF29MAY 3865700430MAY 3867300931MAY 4142401132MAY 2148175233MAY 034192--34MAY 3546301135MAY 3172802236MAY 4141603837MAY 4313704738MAY 3842608039MAY 011735--40MAY 048409FW41MAY 019907--42MAY 3845604443MAY 161509AY45MAY 3218200146MAY 3852104147MAY 4326300348MAY 3315200349MAY 3425200550MAY 161513--51MAY 2131277252MAY 5115103453MAY 4224600854MAY 3411100155MAY 012456--56MAY 3544600357MAY 3544600558MAY 3435500259MAY 44783AG-60MAY 4143500561MAY 048422-63MAY 013730--64MAY 34791AG-65MAY 047457AY66MAY 2176708267MAY 3543404068MAY 2144702069MAY 3466500770MAY 4224204171MAY 012559FW72MAY 047259AY73MAY 3224300174MAY 161882--75MAY 034439--76MAY 4357419277MAY 045355--78MAY 014279--79MAY 3543701080MAY 4111900981MAY 3724605282MAY 168497JM83MAY 5211513484MAY 4811100885MAY 168278AY86MAY 12997AW-87MAY 4225120888MAY 047450AY