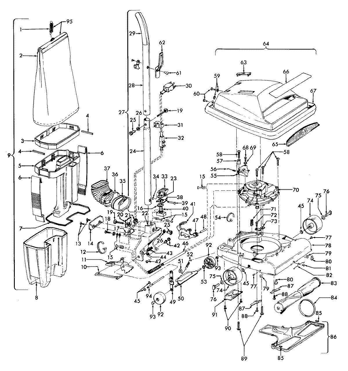
C1407— 01 – AGITATORadmin2025-04-26T08:44:09+00:00C1407— 01 – AGITATOR ProductsPositionProductNIMAY 58366012NIMAY 56711082NIMAY 58343025NIMAY 56711081NIMAY 582160061MAY 383350092MAY 436670413MAY 351730014MAY 341120155MAY 414270136MAY 361550117MAY 341230208MAY 387750019MAY 4367512910MAY 5115103411MAY 3845604413MAY 2148127314MAY 3795400115MAY 048969--16MAY 2135415517MAY 3422300418MAY 2318736319MAY 2163130220MAY 3546301121MAY 039049--22MAY 4141606423MAY 012560--24MAY 4863113425MAY 3227700826MAY 013704--27MAY 4864609128MAY 4864305729MAY 23458AG-30MAY 4658315231MAY 3478501732MAY 3621502133MAY 3842400334MAY 2473502235MAY 4142401136MAY 3642502337MAY 3867300138MAY 3521700639MAY 613802AY40MAY 2821201741MAY 3842608042MAY 011735--43MAY 048409FW44MAY 019907--45MAY 013730--46MAY 4651500747MAY 3845605048MAY 047450AY49MAY 4326300550MAY 4143101351MAY 3425200552MAY 161513--53MAY 2131280654MAY 2747930755MAY 4196100956MAY 3527600657MAY 4111900958MAY 2144722059MAY 168278AY60MAY 12997AW-61MAY 2125609462MAY 3944101663MAY 4811100864MAY 4225123665MAY 3724605266MAY 5211518167MAY 3623114768MAY 45533AY69MAY 014062-70MAY 4030902071MAY 012559FW72MAY 017001FW73MAY 3466500774MAY 34791AG-75MAY 2131272476MAY 047457AY77MAY 048422-78MAY 4224222579MAY 2131278180MAY 3478402181MAY 012503EF82MAY 012138FW83MAY 3272400883MAY 160542--83MAY 4844500183MAY 2134700383MAY 4143500583MAY 4326700283MAY 12985AY-83MAY 049180--84MAY 44783AG-85MAY 3411100186MAY 4224600887MAY 3615300688MAY 2144722989MAY 2144702090MAY 2147934791MAY 3543404092MAY 3852101993MAY 3218200194MAY 161509AY95MAY 41128021