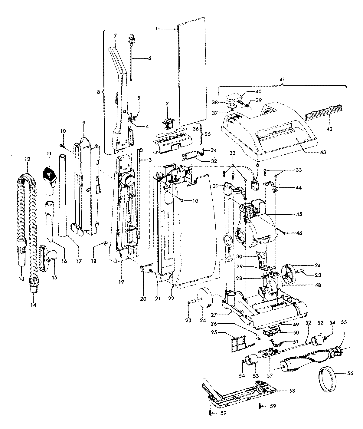
C1409910 02 – MAINBODY, HANDLE, OUTERBAG