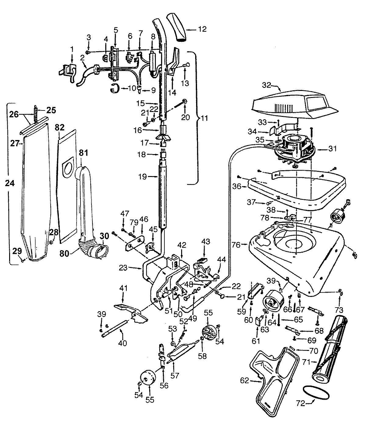
C1439— 01 – AGITATOR, HANDLE, MAINBODY, OUTERBAGadmin2025-04-26T10:37:31+00:00C1439— 01 – AGITATOR, HANDLE, MAINBODY, OUTERBAG ProductsPositionProductNINOT REQUIRED PART OR SEE NOTE FUSE (NOT REQUIRED)NIMAY 56711150NIMAY 56711151NIMAY 58343033NIMAY 583660981MAY 463833521MAY 435741931MAY 463831931MAY 436751911MAY 436742243MAY 214653144MAY 384210125MAY 372581106MAY 281770KD7MAY 276667028MAY 372140709MAY 048969--10MAY 2747930711MAY 4864410612MAY 3945407013MAY 2125609414MAY 3944101615MAY 4864411416MAY 3691300717MAY 4715500518MAY 4632103319MAY 3228402320MAY 2163130121MAY 3227702122MAY 013704--23MAY 3172802224MAY 4367518725MAY 3833601926MAY 4112800727MAY 4367422128MAY 015854EF29MAY 017206--30MAY 4142401131MAY 4030902032MAY 4225101533MAY 2144722034MAY 3428701235MAY 4111900936MAY 3623104237MAY 012997-C39MAY 013730--40MAY 161509AY41MAY 3845205142MAY 4141607743MAY 3842608044MAY 4313704745MAY 3546301146MAY 3795400447MAY 012954--48MAY 047450AY49MAY 011735--50MAY 048409FW51MAY 019907--52MAY 161513--53MAY 3425200554MAY 3218200155MAY 3852101956MAY 4326300357MAY 3315200358MAY 2131280659MAY 3543404061MAY 047457AY62MAY 3724508163MAY 2131272464MAY 34791AG-65MAY 2144702066MAY 048422-67MAY 2131278168MAY 3615300669MAY 2144722971MAY 4841402171MAY 4143507071MAY 4326700271MAY 2134700371MAY 48495AY-71MAY 4844500171MAY 3272400871MAY 12985AY-72MAY 44783AG-73MAY 3478402176MAY 4224226977MAY 012559FW78MAY 3466500779MAY 2163130280MAY 3867300181MAY 3865700482MAY 4010001A