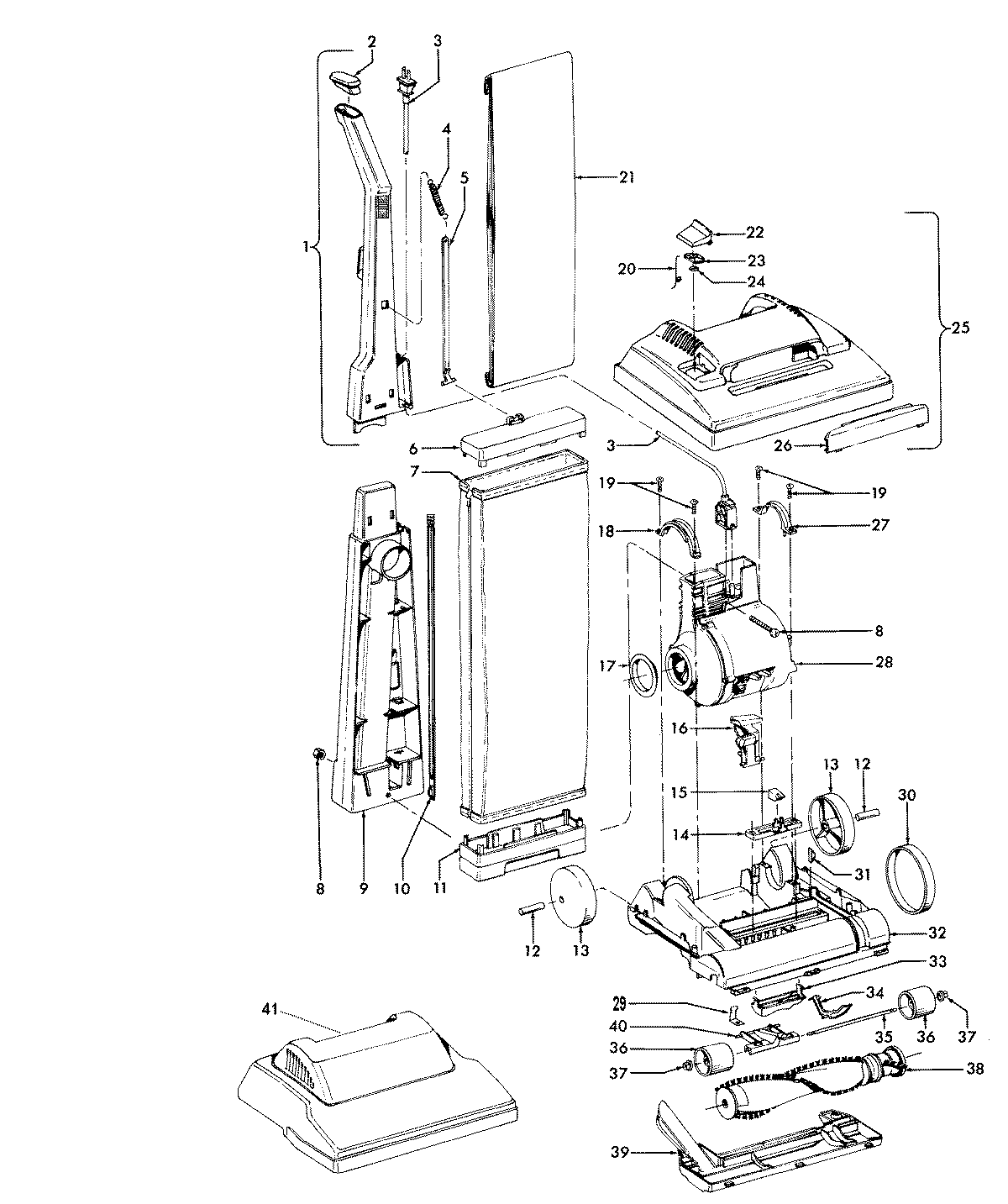
C1498— 02 – HANDLE, MAINBODY, OUTERBAG, HOODadmin2025-04-26T10:36:31+00:00C1498— 02 – HANDLE, MAINBODY, OUTERBAG, HOOD ProductsPositionProductNIMAY 58353009NIMAY 21312787NIMAY 56511353NIMAY 583460041MAY 486631732MAY 379110793MAY 463880333MAY 463680054MAY 383350205MAY 364250726MAY 364250647MAY 436862148MAY 402010859MAY 4866901710MAY 3845804611MAY 3642506312MAY 3153100813MAY 3852201114MAY 3856700815MAY 3842107016MAY 3845802217MAY 3878401618MAY 3613105719MAY 2144721720MAY 3835101321MAY 4010001A22MAY 3725723825MAY 42252A3626MAY 3724613027MAY 3613109028MAY 4357620129MAY 3457200230MAY 3852802731MAY 13261AY-32MAY 4224227033MAY 3856301135MAY 3256301236NOT REQUIRED PART OR SEE NOTE FUSE (NOT REQUIRED)37MAY 3613105638MAY 4841408139MAY 3724501739MAY 3724510640MAY 4324805940MAY 4324805541MAY 37252095