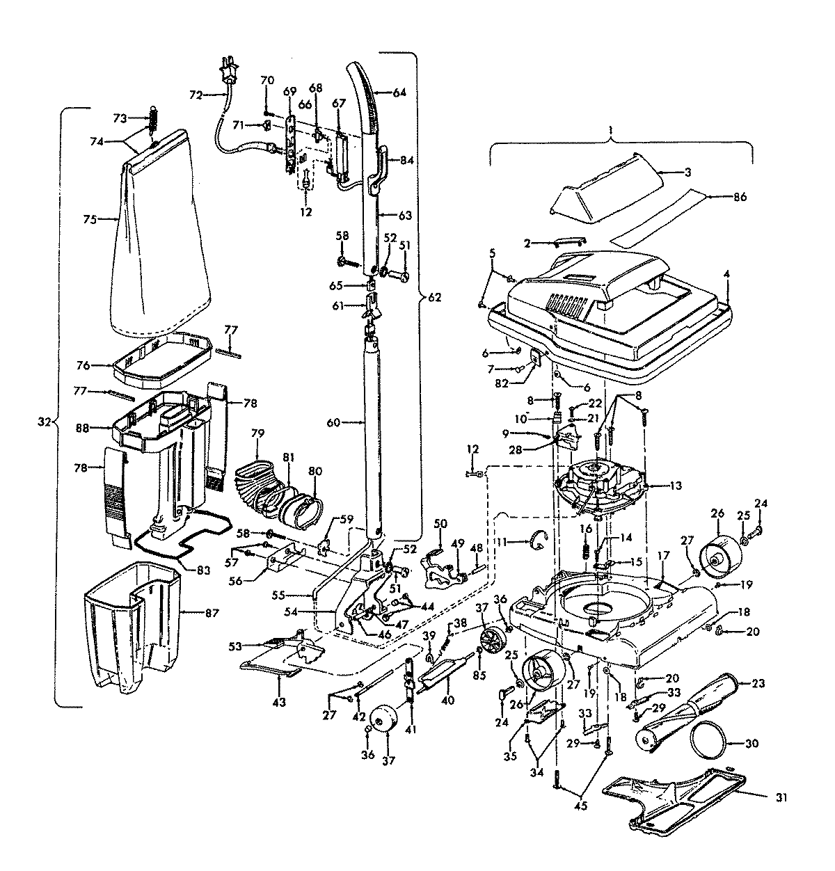
C1629016 02 – CLEANINGTOOLS, DIRTCUPadmin2025-04-26T10:38:37+00:00C1629016 02 – CLEANINGTOOLS, DIRTCUP ProductsPositionProduct1MAY 422511682MAY 481110083MAY 372460424MAY 362311515MAY 012997-C6MAY 1682787MAY 212561348MAY 214472209MAY 3527600610MAY 4111900911MAY 161118--12MAY 012227--13MAY 4357408115MAY 3466500716MAY 012559FW17MAY 4224227518MAY 2131278119MAY 048422-20MAY 3478402121MAY 014062-22MAY 045533AZ23MAY 4841402124MAY 47457FW-25MAY 2131272426MAY 034791AG27MAY 013730--28MAY 4196100930MAY 044783AG31MAY 3724508132MAY 4367518033MAY 3615300634MAY 2144722935MAY 3543404036MAY 3218200137MAY 3852101938MAY 161513--39MAY 3425200540MAY 4143101341MAY 4326300542MAY 161509AY43MAY 5115103444MAY 011735--