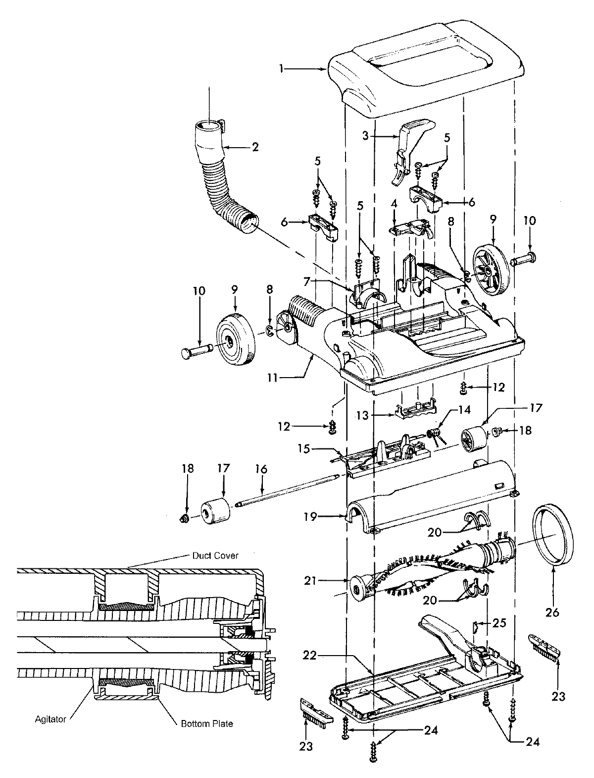
C1703900 01 – AGITATOR, MAINBODY, HOODadmin2025-04-26T10:38:46+00:00C1703900 01 – AGITATOR, MAINBODY, HOOD ProductsPositionProductNIMAY 40309026NIMAY 432480571MAY 372532911MAY 372532922MAY 434310053MAY 384580435MAY 214470726MAY 361310947MAY 361710448MAY 160017--9MAY 4324400410MAY 3243400711MAY 3724212311MAY 3724212412MAY 2144722813MAY 4030900414MAY 3835501015MAY 3643202716MAY 3254100317MAY 3852100418MAY 3613105620MAY 3878105321MAY 4841406321MAY 4841411022MAY 4030903422MAY 4030902523MAY 3951100624MAY 2144712125MAY 13261AY-26MAY 38528033