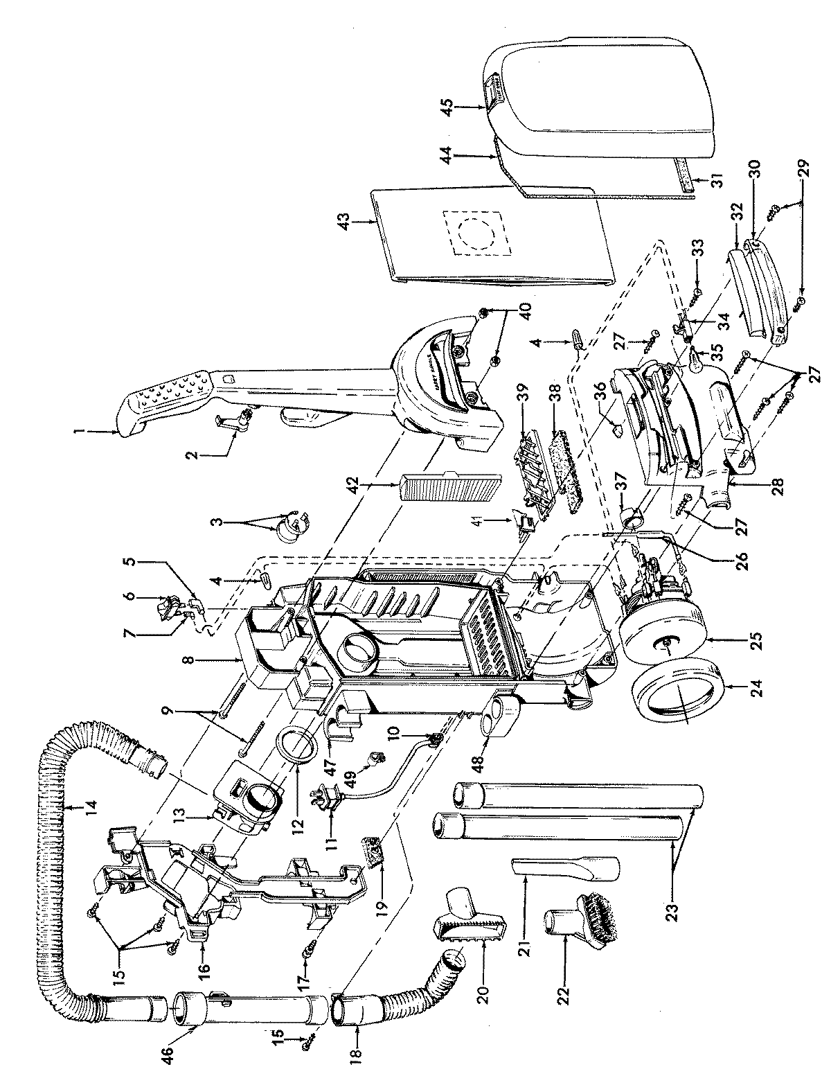
C1703920 02 – MOTOR, CLEANINGTOOLS, HANDLE, OUTERBAGadmin2025-04-26T10:38:08+00:00C1703920 02 – MOTOR, CLEANINGTOOLS, HANDLE, OUTERBAG ProductsPositionProductNIMAY 37911081NIMAY 66655413NIMAY 39441016NIMAY 21447236NIMAY 498110731MAY 486632072MAY 394420433MAY 274793074MAY 276185086MAY 281610636MAY 281610677NOT REQUIRED PART OR SEE NOTE FUSE (NOT REQUIRED)8MAY 372550139MAY 4020114910MAY 2748223111MAY 4658305211MAY 4658305111MAY 4658304711MAY 4658304612MAY 3117801713MAY 3864100514MAY 4343403115MAY 2144724216MAY 3643311217MAY 2314900218MAY 4343100519MAY 3431100420MAY 3861401E21MAY 3861702722MAY 4341416223MAY 3863407824MAY 3632203525MAY 4357618025MAY 4131101726MAY 4753402326MAY 2838208627MAY 2144723028MAY 3719600929MAY 2144722830MAY 3938310731MAY 3412305032MAY 3794401033MAY 4717302733MAY 2144707234MAY 4717302335MAY 2731310136MAY 3413101937MAY 3632203038MAY 3876501939MAY 3642603440MAY 2164155841MAY 3642603942MAY 4361300643MAY 4366705143MAY 4010100Y44MAY 3878105745MAY 3725410246MAY 4345702447MAY 3643311748MAY 3643311649MAY 56511A4649MAY 27478456