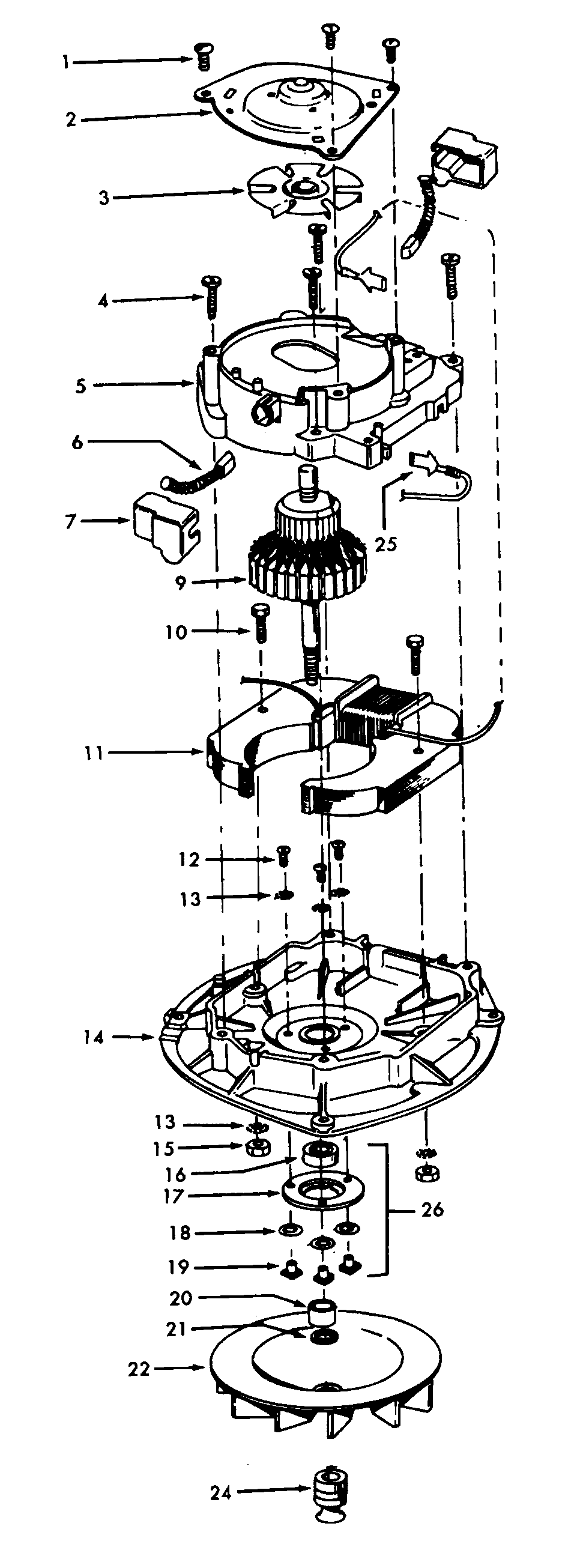
C1K01— 04 – MOTOR ASSEMBLYadmin2025-04-26T10:38:09+00:00C1K01— 04 – MOTOR ASSEMBLY ProductsPositionProduct1MAY 45533AY2MAY 429340023MAY 387550044MAY 161535--5MAY 019857--6MAY 473180127MAY 363150039MAY 4476808510MAY 045118--11MAY 4541201812MAY 2177250113MAY 014062-14MAY 4219300615MAY 015673--16MAY 2415280717MAY 3218400318MAY 019772-19MAY 045251--20MAY 3173100221MAY 166563--22MAY 022556--22MAY 3875501124MAY 4325100325MAY 014320--26MAY 43267006