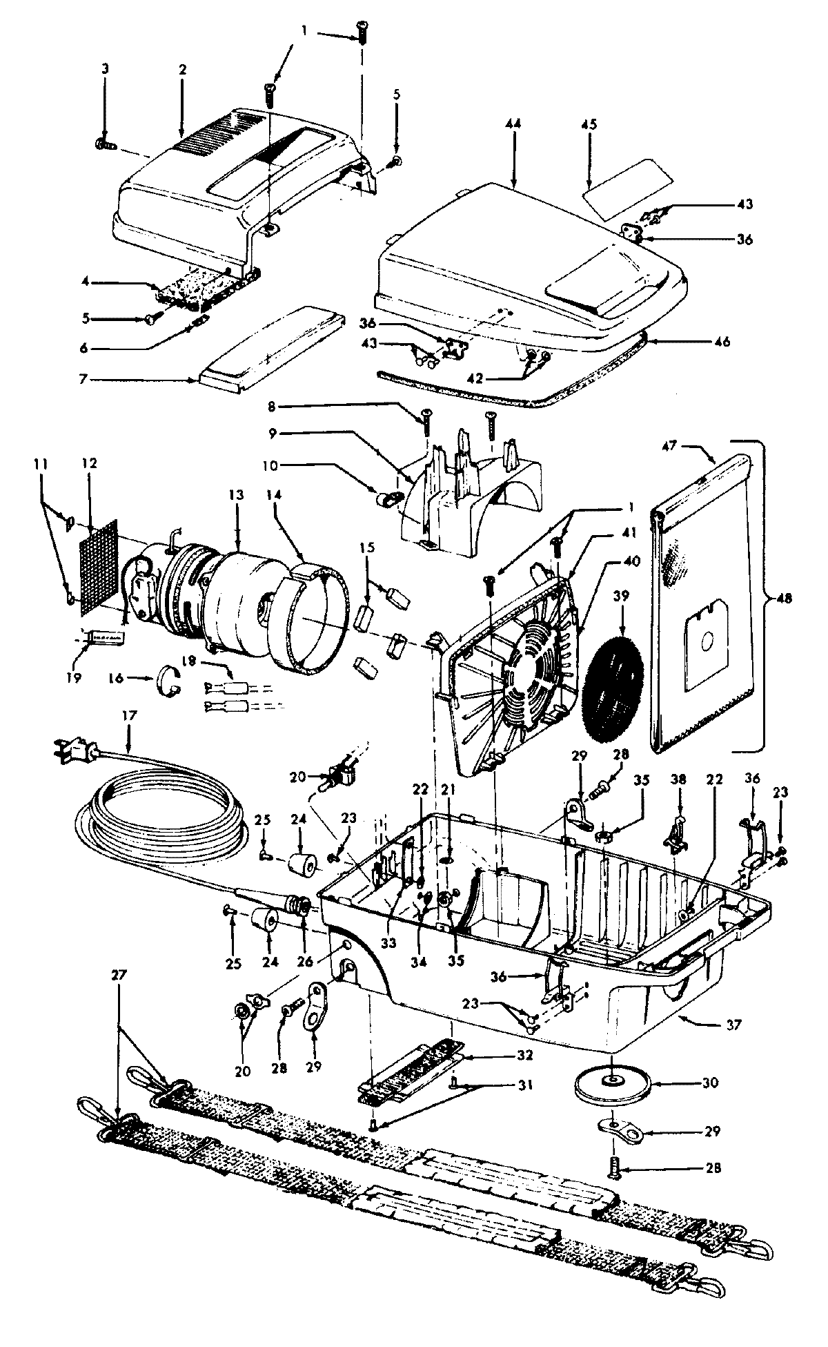
C2075060 01 – CLEANINGTOOLS, MAINBODY, OUTERBAG