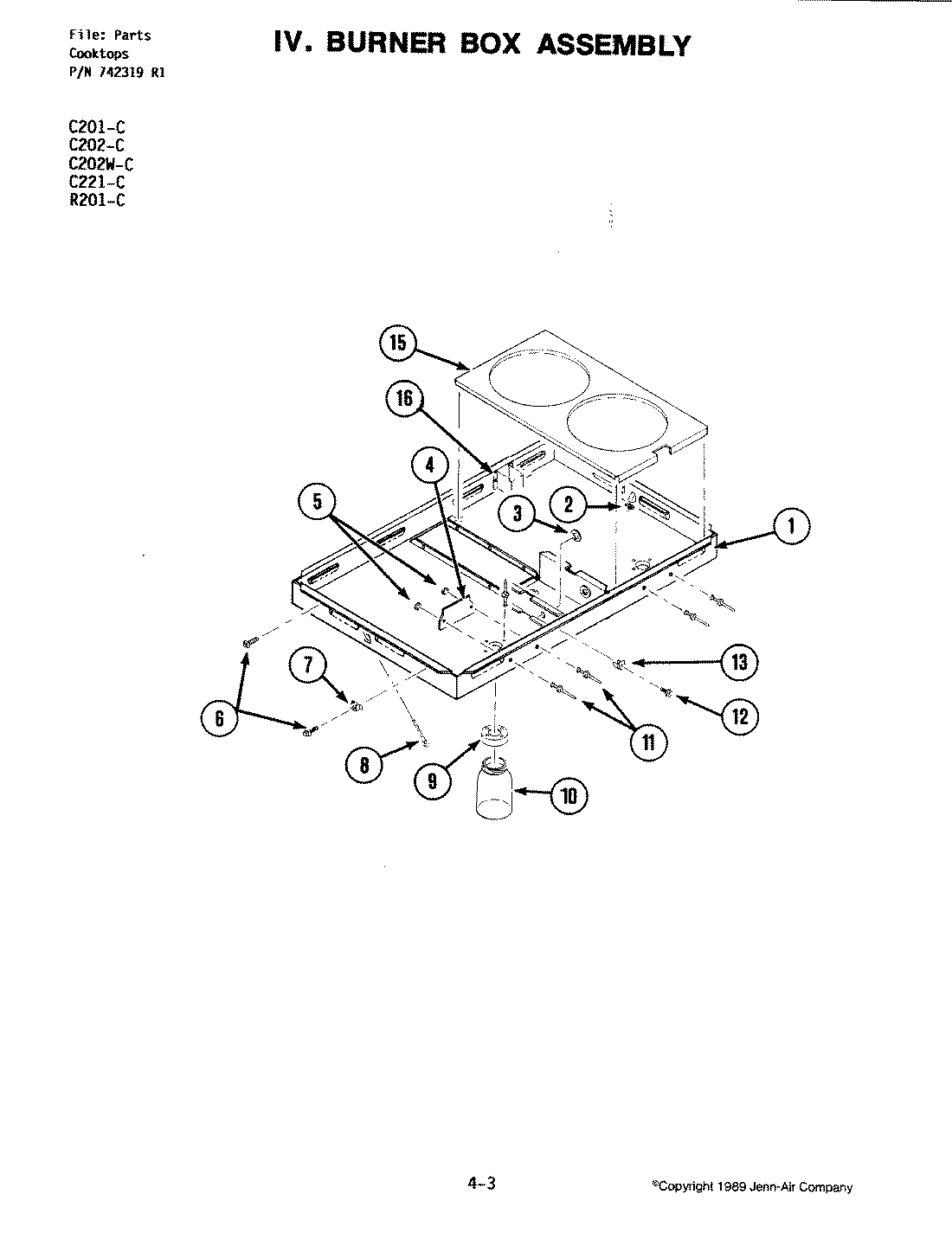
C221-C 02 – BURNER BOX ASSEMBLY (C221-C)admin2025-04-26T10:38:30+00:00C221-C 02 – BURNER BOX ASSEMBLY (C221-C) ProductsPositionProductNIMAY 702018NIMAY 707746NIMAY 703559NIMAY 701925NIMAY 703561NIMAY 7007271MAY 7019922MAY Y7071243MAY Y7076954MAY 7019955MAY Y7076646WP90767 Whirlpool Screw8MAY Y7071219MAY Y70787010MAY Y70786911MAY Y70712812MAY 70193313MAY Y700672