| WPL ARI21092A8 |
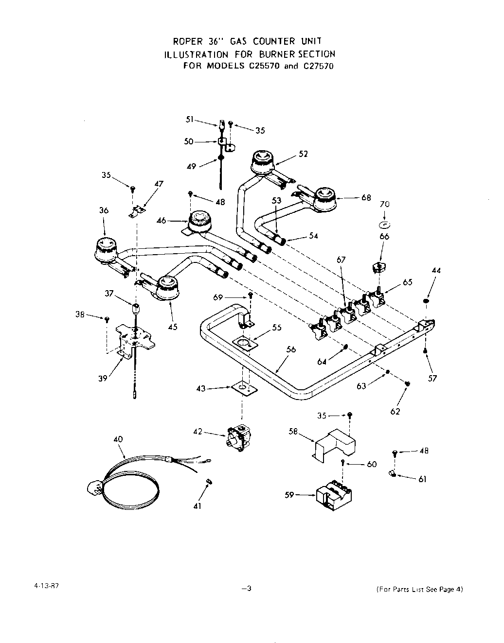
| 35 | Screw 10 - 32 x 7/16`` |
| 36 | Top Burner Assembly (Lt. Rear) |
| 37 | Panel, Side L.H. (Toast) |
| 37 | Panel, Side L.H. (Platinum Panel, Side R.H.) |
| 37 | Electrode-Spark Igniter |
| 38 | WP112432 Whirlpool Nut Assembly |
| 39 | Left |
| 39 | Right |
| 39 | Support-Top Burner |
| 40 | Cord w/Plug |
| 41 | Large |
| 41 | Wire Connector (2 Required) |
| 41 | Wire Connector |
| 42 | Pressure Regulator |
| 43 | Seal-Manifold |
| 44 | Keps Nut 8-32 |
| 45 | Top Burner Assembly (Lt. Front) |
| 46 | C27570 Models |
| 46 | Griddle Burner Asm. |
| 46 | C25570 Models |
| 47 | panel, side l.h. (almond panel, side r.h.) |
| 48 | WPL 295850 |
| 49 | Nut - C25570 Models |
| 50 | Support-Griddle Electrode |
| 50 | C25570 Models |
| 50 | C27570 Models |
| 51 | C25570 Models |
| 51 | Electrode-Spark Igniter (Griddle) |
| 51 | Right |
| 52 | Flange Nut (4) |
| 53 | Adjustment Screw-Air Shutter |
| 54 | Air Shutter |
| 55 | Retainer-Manifold Seal |
| 56 | Manifold Pipe |
| 56 | C27570 Models |
| 56 | C25570 Models |
| 57 | Screw 8-32 x 3/8`` |
| 58 | Wire Cover-Module |
| 59 | C27570 Models |
| 59 | Spark Module |
| 59 | Module-Spark Igniter |
| 60 | Screw 6-20x3/8`` |
| 61 | WPL 109266 |
| 62 | Mounting Screw (Inc`s 86) |
| 62 | Screw-Valve Mounting |
| 63 | Gasket (For 81) |
| 63 | Rubber Gasket |
| 64 | Rubber Gasket |
| 64 | Silicone Rubber Gasket |
| 65 | Gas Valve (4 Req) |
| 66 | Micro Switch-Valve |
| 66 | C27570 Models |
| 67 | Gas Valve-Griddle-C27570 Models |
| 68 | Gasket, Magnetron (Use W/Panasonic Magnetron) |
| 69 | Screw 10 - 32 x 1/2`` |
| 70 | Clip (2) |
| 70 | Shield - Gas Value (4 Req) |
| 70 | WPL 321995 |
| 70 | WPL 310030 |
| 70 | WPL 313143 |
| 70 | Cushion (7) |
| 70 | WPL 313144 |
| 70 | WPL 314236 |
| 70 | WPL ARI21091A6 |