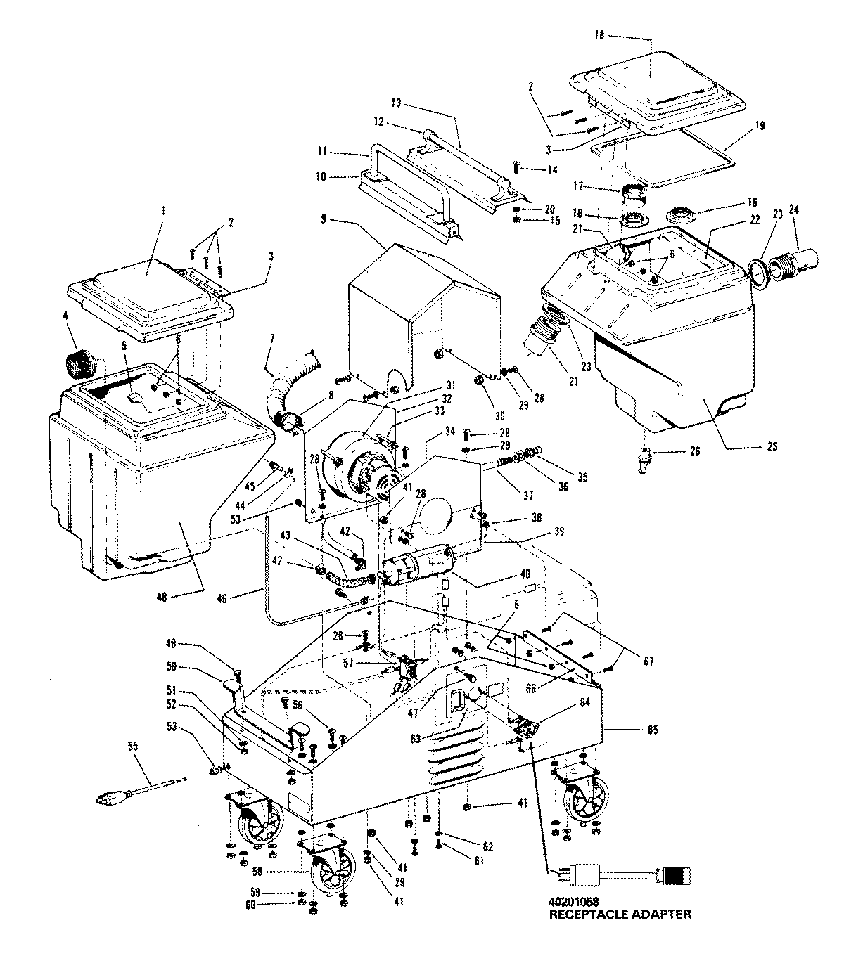
C3005— 02 – MOTOR ASSEMBLY, HOSE, MAINASSEMBLYadmin2025-04-26T09:05:28+00:00C3005— 02 – MOTOR ASSEMBLY, HOSE, MAINASSEMBLY ProductsPositionProduct1MAY 422720763MAY 411330014MAY 436110145MAY 1328433-6MAY 1307631-7MAY 434310208MAY 1114083-9MAY 4219203510MAY 4194300211MAY 3312301012MAY 1204122-13MAY 3175300214MAY 1105522-15MAY 1107612-16MAY 1307617-17MAY 4361101818MAY 4227207519MAY 3878500720MAY 1107610-21MAY 4346101221MAY 4346101722MAY 3455700123MAY 1207616-24MAY 1509049-25MAY 4227205325MAY 4227201026MAY 1557125-28MAY 2178115429MAY 164929--31MAY 4357602732MAY 4131200833MAY 1216693-34MAY 3632101635MAY 1308006-36MAY 2131279437MAY 4344300538MAY 1512102-39MAY 4131201940MAY 4358500341MAY 1107602-42MAY 2541104943MAY 1038000-44MAY 1114477-45MAY 1309141-46MAY 1511026-46MAY 3863100948MAY 4227202048MAY 4227205549MAY 1105501-50MAY 4315200151MAY 1107605-52MAY 2185410353MAY 2748213453MAY 2748230255MAY 4658315756MAY 1105567-57MAY 1524106-58MAY 2373710659MAY 1107627-60MAY 1107628-61MAY 1105503-62MAY 2131271063MAY 3792302164MAY 2776400165MAY 4227500265MAY 4227500666MAY 4113200367MAY 1305527-